DYNA
0012-7353
Universidad Nacional de Colombia
https://doi.org/10.15446/dyna.v86n208.68012

Recibido: 28 de diciembre de 2017; Revision Received: 21 de noviembre de 2018; Aceptado: 18 de diciembre de 2018

Development of an easy-to-assemble external fixation system for bone transport

Desarrollo de un sistema de fijación externa fácil de ensamblar para transporte óseo

A. Carrera-Pinzón, aA. Leyton, aA. Machado-Caicedo, bJ. García, cF. Casanova, a

Escuela de Ingeniería Mecánica, Universidad del Valle, Cali, Colombia. andres.carrera@correounivalle.edu.co, arlex.leyton@correounivalle.edu.co, gonzalo.casanova@correounivalle.edu.co Universidad del Valle Escuela de Ingeniería Mecánica Universidad del Valle Cali Colombia
Clínica Imbanaco, Cali, Colombia. andresmachadoc@hotmail.com Clínica Imbanaco Cali Colombia
Escuela de Ingeniería Civil y Geomática, Universidad del Valle, Cali, Colombia. jose.garcia@correounivalle.edu.co Universidad del Valle Escuela de Ingeniería Civil y Geomática Universidad del Valle Cali Colombia

© The author; licensee Universidad Nacional de Colombia.

Abstract

We developed a monolateral external fixation system for bone lengthening that is easier to assemble than commercial systems. In this system, the clamps can be laterally assembled to the rail in contrast to the commercial systems in which the clamps can only be assembled from the ends. The system is formed by clamps, screws, and a rail. The rail is composed of two carbon fiber circular rods of ½” diameter and 42 cm length. The clamps can slide with respect to the rail to allow bone distraction or may be fixed to the rail by using a wedge and a screw. The prototype was mechanically evaluated under the ASTM F1541 standard. The stiffness in axial loading, medio-lateral bending (ML), antero-posterior bending (AP), and flexo-torsional loading were 117 N/mm, 46 N/mm, 8.7 N/mm, and 5.8 N-mm/°, respectively, which are in the range of the stiffness of commercial systems.

Keywords:

bone lengthening, external fixation system, bone fractures.

Resumen

Se desarrolló un sistema de fijación externa monolateral para alargamiento de huesos más fácil de utilizar que los sistemas comerciales puesto que las prensas pueden ser ensambladas lateralmente en el riel a diferencia de los sistemas comerciales donde las prensas solo se pueden ensamblar desde los extremos. El sistema está formado por prensas, tornillos y riel. El riel está formado por dos barras circulares de fibra de carbono de ½” diámetro y 42 cm de longitud. Las prensas se pueden deslizar axialmente con respecto al riel para permitir distracción o se pueden fijar al riel usando una cuña y un tornillo. El prototipo fue evaluado mecánicamente bajo la norma ASTM F1541. La rigidez bajo carga axial, flexión Medio Lateral (ML), flexión Antero Posterior (AP), y flexo torsión fueron 117 N/mm, 46 N/mm, 8.7 N/mm, and 5.8 N-mm/° respectivamente, que están en el rango de rigidez de sistemas comerciales.

Palabras clave:

alargamiento de huesos, sistemas de fijación externa, fractura de huesos.

1. Introduction

Numerous traffic accidents that occur in Colombia often produce complex open bone fractures [1] that are generally treated with external fixation systems. These systems are biomechanical devices intended to restrict relative motion at the fracture site to allow callus formation. They are formed by wires or screws; bridge elements as rails, rods or rings; and clamps to connect the wires or screws to the bridge elements [2]. One kind of external fixator is applied to enlarge bones, to correct defects or to complete gaps in the bone based on the callotasis technique [3]. This can be achieved when one clamp is fixed to a bone fragment and to the rail while another clamp, fixed to another fragment, is moved in a controlled way along the rail [4]. In the commercial system Orthofix, which is used worldwide, the assembly of a clamp onto the rail must be accomplished from the end of the rail. Hence, much time may be wasted during surgery if the system is partially assembled, and then the orthopedic surgeon needs to add or remove a clamp.

The commercial systems used in Colombia are imported and expensive. Previous studies have focused on the development of a fixator for treating injuries, and it was successfully validated in laboratory and clinical tests [5]. However, such a device cannot be used for bone transport. To the best of our knowledge, there is no Colombian fixator that may be used for bone transport.

To encourage and promote the Colombian biomedical industry, this paper presents the design, construction, and mechanical evaluation of a novel bone transport system. One of the requirements of the design was to allow the lateral assembly of the clamps onto the rail to facilitate the mounting process during surgery. Another objective was to define the mechanical analysis and loads, which are not available in the previously published work, and this information can be applied to analyze other designs.

2. Materials and methods

2.1. Geometry and system operation

During the distraction process of bone lengthening, one of the clamps is moved along the rail by the action of the distractor. Since the other clamp remains fixed to the rail and to the other fragment, the distance between the bone fragments at the fracture site increases and promotes the creation of a callus and the lengthening of the bone. Distraction speed depends on the fracture characteristics and the treatment, but it is usually 1 mm per day. In the commercial system LRS Advance (Orthofix, Verona, Italy), the clamps can only be inserted onto the rail from one of the ends, making it difficult to perform further modification of the assembly. The main challenge of the present design was to allow the clamps to be inserted laterally onto the rail.

Two circular ½”-diameter carbon fiber rods were used as the rail. Carbon fiber is recommended for its low density, high stiffness and strength, and transparency to X-rays, allowing inspection during the healing process without dismantling the assembly [6, 7].

The clamp was made of 7075 aluminum (480 MPa yield strength) and is composed of the body, the cover, and the wedge (Fig. 1). The body and the cover have five grooves to contain the screws. Two 6 mm Allen bolts were used to join the cover to the body and fasten the screws. The wedge is used to fasten the clamp to the rail for fixing the axial movement. The clamp can be inserted onto the rail by applying a small deformation to the rods. This prevents the clamp from separating from the rail during distraction and allows axial displacement when the wedge is loose [8]. The wedge can be removed from the system during distraction.

Components of the screws-clamp-rail assembly.

Figure 1: Components of the screws-clamp-rail assembly.

Source: The authors.

2.2. Mechanical analysis of the clamp

Finite element models were developed to analyze the stress distributions for three load cases. First, the clamp was analyzed under the force applied by the rods during insertion; the second model simulated the clamp when it was submitted to the force generated by the bolt to fix the wedge; third, the clamp was simulated under the action of the service load.

In the model simulating the insertion force (Fig. 2), the symmetry of the clamp with respect to the XZ plane was used and the force was distributed on the contact line between the rod and the clamp (red line in Fig. 2). The dimensions of the clamp were chosen such that the bars had to deflect 0.5 mm to allow clamp assembly. Therefore, the force on the clamp was calculated as the force needed to deflect the midpoint of the bars 0.5 mm, assuming embedded extremes. This force, distributed along the clamp, was equal to 2.1 N/mm. The displacement in the Y direction on the symmetry plane was restricted. Displacement in the X and Z directions was restricted to the grooves in contact with the screws to consider the stiffening effect of the screws. With this model, a maximum von Mises stress of 3.9 MPa was obtained, which is significantly smaller than the yielding strength of the material (480 MPa).

von Mises stress on the clamp during the insertion of the rods.

Figure 2: von Mises stress on the clamp during the insertion of the rods.

Source: The authors.

For the second model, the free body diagram of the wedge shown in Fig. 3 was considered, where F are the forces between the wedge and the rods and Fc is the force applied by the bolt that fixes the wedge to the clamp. Fc was calculated as the minimum force needed to avoid sliding between the clamp and the rods when the service load was applied to the clamp. A Newtonian model with a friction coefficient of 0.16 was assumed. Golden and Scott [4] recommend a service load equal to 30% of the patient weight. To obtain a conservative design, a service load equal to 50% of a 100 kg patient was considered in our design. With this load, the minimum force, Fc, to avoid sliding was 571 N. However, the preload recommended for the bolt, calculated as 75% of the proof stress, was 2627 N. Therefore, this value was used to evaluate the stresses on the clamp. Symmetry with respect to the XZ plane was again used and a rod in contact with the clamp was included (Fig. 4). Displacement in the Y direction on the symmetry plane and displacements in the X and Z directions on the grooves for the screws were restricted. The resultant maximum von Mises stress was 22 MPa, which is considerably smaller than the yield strength of the material.

Free body diagram of the wedge. F is the contact force between the rods and the wedge and Fc is the force applied by the bolt.

Figure 3: Free body diagram of the wedge. F is the contact force between the rods and the wedge and Fc is the force applied by the bolt.

Source: The authors.

von Mises stress on the clamp due to the force produced by the wedge.

Figure 4: von Mises stress on the clamp due to the force produced by the wedge.

Source: The authors.

The third model was intended to evaluate the stress distribution in the clamp generated by the service load during distraction. At this stage of the procedure, the clamp is not axially fixed to the bars and the axial movement is restricted by the distractor. This model also contained a portion of the two bars. Thus, the bottoms of the rods were embedded and the action of the distractor was simulated by restricting the axial (Z direction) displacement of point B (Fig. 5). The service load P (500 N) was applied at distances L1 and L2 equal to 18 and 91 mm, respectively, keeping consistent with the geometry of the assembly (Fig. 5). The analysis yielded a maximum von Mises stress equal to 137 MPa at point D (Fig. 5, 6).

Since the stresses found in the three models were smaller than the yield strength of the material, we proceeded with the construction, assembly and mechanical evaluation of the prototype.

Load and boundary conditions in the model used to evaluate the clamp with the service load.

Figure 5: Load and boundary conditions in the model used to evaluate the clamp with the service load.

Source: The authors.

von Mises stress on the clamp due to the service load. One of the bars was hidden in the sketch to show the point of maximum stress

Figure 6: von Mises stress on the clamp due to the service load. One of the bars was hidden in the sketch to show the point of maximum stress

Source: The authors.

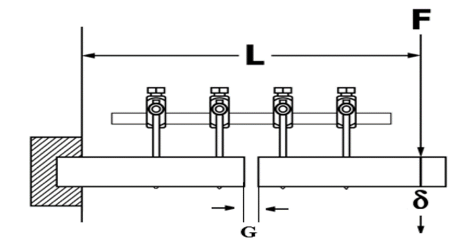
3. Method for experimental evaluation of the system

The stiffness of the system under axial loading (Fig. 7); medio-lateral (ML) and antero-posterior (AP) bending (Fig. 8); and flexo-torsion loading (Fig. 9) was evaluated under the ASTM F1541 standard [9]. The gap G between the bone fragments was 20 mm (Fig. 8). The components of the prototype and the test configurations are presented in Fig. 10. For the flexo-torsion test, the load was applied at the end of a 4 mm thick and 50 mm long plate located at the extreme of one of the fictitious bone. Each test was repeated three times with five cycles of load and unload.

Axial compression test set up.

Figure 7: Axial compression test set up.

Source: [9].

Bending test set up.

Figure 8: Bending test set up.

Source: [9].

Flexo-torsion test set up.

Figure 9: Flexo-torsion test set up.

Source: The authors.

Prototype. A) Components of the clamp and rail. B) Experimental configuration for axial test. C) Experimental configuration for AP bending. D) Configuration for ML bending tests.

Figure 10: Prototype. A) Components of the clamp and rail. B) Experimental configuration for axial test. C) Experimental configuration for AP bending. D) Configuration for ML bending tests.

Source: The authors.

Two clamps were used in each system, with two 3-mm diameter screws per clamp. The distance between the rail and the bone model was 50 mm. Nylon cylinders of 50-mm diameter were used as bone simile. A 5-cm long distractor of the LRS Advanced Orthofix commercial system was used for the tests.

For this application, the number of load cycles is relatively low and fatigue is not critical for the parts; however, cyclic loads may cause slippage between parts. Hence, a cyclic axial compressive test was performed by applying a sinusoidal cyclic displacement with an amplitude of 0.5 mm. To precondition the assembly, a preload corresponding to a displacement of 0.75 mm was applied. Tests were conducted with a servo-hydraulic machine (Reference HT-9711, Hung-Ta Instruments Co. Ltd., Taipei, Taiwan).

The results were compared with those reported for a rail made of carbon fiber [7] assembled with clamps of a Long Model Orthofix commercial system (Fig. 11) and a custom made model (Fig. 12). In addition, the results were compared with the stiffness of the systems ProCallus of Orthofix and Dynamix DFS (Ebifix, Iowa City, IA, USA) (Fig. 13) reported by Burgers et al. [10].

Carbon fiber rail assembled with commercial Lon Model clamps from Orthofix.

Figure 11: Carbon fiber rail assembled with commercial Lon Model clamps from Orthofix.

Source: [7].

Custom made external fixation system used for comparing the stiffness.

Figure 12: Custom made external fixation system used for comparing the stiffness.

Source: The authors.

External fixation system used for comparing the stiffness. A) ProCallus from Orthofix (Verona, Italy). B) Dynamix DFS from Ebifix (Iowa, IA, USA).

Figure 13: External fixation system used for comparing the stiffness. A) ProCallus from Orthofix (Verona, Italy). B) Dynamix DFS from Ebifix (Iowa, IA, USA).

Source: [10].

4. Experimental results

An approximately linear load-displacement relation was obtained in all experiments (Fig. 14). The stiffness of the prototype under axial load (Fig. 15) is similar to those of the custom made and the Ebifix systems but is smaller than the stiffness of the Orthofix and the carbon fiber models. For the other load cases (Fig. 16), the stiffness of the prototype is lower than those of the custom-made model and the carbon fiber model for ML bending and AP bending, respectively. For flexo-torsion loading, the stiffness of the prototype was higher than those of the National model and the CF rail. There were no available results in the literature for the Ebifix or the Orthofix models under flexo-torsion loading.

Load-displacement curve for an axial compression test. The green line represents a linear regression of the data.

Figure 14: Load-displacement curve for an axial compression test. The green line represents a linear regression of the data.

Source: The authors.

Stiffness under an axial compression load. The bars represent the standard deviation

Figure 15: Stiffness under an axial compression load. The bars represent the standard deviation

Source: The authors.

Stiffness under medio-lateral (ML) bending, antero-posterior (AP) bending, and flexo-torsion loading. The bars represent the standard deviations.

Figure 16: Stiffness under medio-lateral (ML) bending, antero-posterior (AP) bending, and flexo-torsion loading. The bars represent the standard deviations.

Source: The authors.

During the cyclic test, the system was able to sustain the load without slipping during 1000 cycles, as shown in Fig. 17 for the last 20 cycles.

Twenty cycles of the fatigue test.

Figure 17: Twenty cycles of the fatigue test.

Source: The authors.

5. Discussion

We developed a new model of an external fixation system where the clamps can be assembled or disassembled laterally from the rail. The clamp can be mounted onto the rail by applying a small deformation to the rods. This design allows axial movement during distraction and restricts lateral relative displacements. The wedge to fix the clamp to the rail prevents axial displacement when no distraction is required. Two commercial carbon fiber rods were used for the rail, which considerably reduced the manufacturing cost and time.

The axial stiffness of the prototype was smaller (117 N/m) than those of the carbon fiber system (490 N/mm) and the Orthofix ProCallus system (320 N/mm) but was comparable to the other evaluated systems (112 N/mm for the custom-made system and 114 N/mm for the Ebifix system). In addition, for the other load cases, the stiffness of the prototype was similar to the Orthofix and Ebifix systems, which are widely used in clinical applications. For some load cases, the Orthofix and the Ebifix systems presented smaller stiffness, which may be attributed to their greater number of components. Finally, the prototype was able to sustain a cyclic force with constant amplitude without slipping.

Even though the system presented a mechanical behavior similar to that of other commercial systems, there is a need to reduce the size of the clamps, which is the next stage of this work.

Acknowledgements

Acknowledgments

The authors give thanks to the Universidad del Valle, Cali Colombia, and to COLCIENCIAS: programa nacional de ciencia tecnología e Innovación en Ingeniería, convocatoria 715-2015, contrato 265-2016, código 110671551517, for financial support.

References

  1. [1] Valbuena-Cortes S., Muertes y lesiones no fatales por accidentes de transporte, Colombia, 2011. Instituto Nacional de Medicina Legal y Ciencias Forenses, Bogotá, Colombia. [en línea]. [Consultado: 10 de julio de 2017]. Disponible en: http://www.medicinalegal.gov.co/documents/10180/34616/7-F-11-Transito.pdf/40ea4d45-f98b-4289-879e-73dbb811789d. [URL] 🠔
  2. [2] Aro, H.T. and Chao, E.Y.S., Biomechanical performance of the standard orthofix external fixtor and cortical screws. In De Bastiani, G., Apley, A.G. and Goldberg ,A., Orthofix external fixation in trauma and orthopaedics, Springer [online]. 2000, pp. 45-70. Available at: https://link.springer.com/book/10.1007%2F978-1-4471-0691-3 [URL] 🠔
  3. [3] Cánovas, C.S., Bone elongation using monolateral external fixation: a practical guide. Strategies Trauma Limb Reconstr. [online]. 10(3), pp. 175-188, 2015. Available at: https://link.springer.com/article/10.1007%2Fs11751-015-0236-0. [URL] 🠔
  4. [4] Goldberg, A. y Scott, J., Fijación externa Orthofix: conceptos básicos, [en línea]. [Consultado: 10 de julio de 2017]. Disponible en: http://webs.ono.com/jmbarrera/Documentos/Conceptos%20basicos.pdf. [URL] 🠔
  5. [5] Leyton, A., García, J.J., Machado, A. y Echeverry, A., Caracterización mecánica del fijador multiaxial “Atlas” para fractura de huesos, Ingeniería y Competitividad, 5(1), pp. 7-15, 2003. DOI: 10.25100/iyc.v5i1.2300 🠔
  6. [6] Grande, J.F. y López, J.O., Diseño, construcción y evaluación de un prototipo de fijación externa para transporte y alargamiento óseo. Trabajo de grado de Ingeniería Mecánica, Universidad del Valle, Cali, Colombia, 2015. 🠔
  7. [7] Ortega, F., Diseño y evaluación de un riel hecho de material compuesto reforzado con fibra de carbono para un sistema de fijación externa, trabajo de grado de Ingeniería Mecánica, Cali, Universidad del Valle, Cali, Colombia, 2010. 🠔
  8. [8] Blanding, D.L., Exact constraint: machine design using kinematic principles. New York: ASME Press, 1999. 🠔
  9. [9] ASTM F1541-02, 2015. Standard specification and test methods for external skeletal fixation devices. [online]. Available at: https://compass.astm.org/download/F1541.38465.pdf [URL] 🠔
  10. [10] Burgers, P.T.P.W., van Riel, M.P.J.M., Vogels, L.M.M., Stam, R., Patka, P. and van Lieshout, E.M.M., Rigidity of unilateral externa fixators - A biomechanical study. Injury, Int. J. Care Injured, 42, pp. 1449-1454. DOI: 10.1016/j.injury.2011.05.024 🠔
  11. [11] Iturbe-Arguelles M. del R., Transporte y dispersión de compuestos químicos orgánicos a través del flujo en medios porosos, Tesis (Doctorado en Ingeniería), Universidad Nacional Autónoma de México, México, 1997, 120 P. 🠔
Carrera-Pinzón, A.F., Leyton, A., Machado Caicedo, A., García, J.J. and Casanova, F., Development of an easy-to-assemble external fixation system for bone transport.. DYNA, 86(208), pp. 53-59, January - March, 2019
is BSc. in Mechanical Engineering from the Universidad del Valle, Cali, Colombia. Currently, develops a master degree in mechanical engineering in Universidad Nacional de Colombia. It has worked in biomechanical developments as technical aids in Guadua Angustifolia Kunt (GAK) and external fixator devices. Currently, is working on mehcanobiological simulations of synovial joints morphogenesis. ORCID: 0000-0003-0515-313X
is graduated the BSc. in Mechanical Engineering at the Universidad del Valle, Cali, Colombia in 2003 and received his MSc. in Mechanical Engineering at the Universidad del Valle, Cali, Colombia in 2016. Currently he is an adjunct instructor in the Mechanical Engineering Department at Universidad del Valle. His research interest includes: analysis and design of mechanical systems for factory and aeronautical industries, the development of external fixation systems to treat bone fractures, fibro-reinforced materials. ORCID: 0000-0002-3727-7578
is graduated the BSc. in Medicine and Surgery at the Universidad Libre, Cali, Colombia in 1987, he received his Sp. in the Orthopedics and Traumatology Service at the Da Lagôa Hospital of the National Institute of Medical Assistance and Social Providence (INAPS) in 1994. President of the Elongation and Infections Chapter Bone of the Society of Orthopedic Surgery and Traumatology of Colombia SCCOT, during the period 2006 to 2008. His research interests include: treatment of fractures and bone diseases, correction of deformities, lengthening and bone transport, development of external fixation systems. ORCID: 0000-0002-0675-4634
is graduated the BSc. in Mechanical Engineering at the Universidad del Valle, Cali, Colombia, in 1977 and received his MSc. (1884) and PhD. (2008) in Mechanics at Michigan State University, USA. He was visiting scholar at the University of Wales (1989-1990) and spent a sabbatical year at Colorado State University (2008-2009) with a Fulbright scholarship. After having worked in a plastic factory for about two years, he joined the Universidad del Valle since 1980, where he is now full professor. His research interests include the mechanical modeling of biological tissues, the development of external fixation systems to treat bone fractures, the characterization of natural anisotropic materials like Guadua and the development of prefabricated structural elements with bamboo. ORCID: 0000-0003-2580-805X
received the BSc. Eng in Mechanical Engineering in 2003 and the MSc. degree in Mechanical Engineering in 2006 from the Universidad del Valle, Cali Colombia. In 2013 he received the PhD degree in Mechanical Engineering from the University of Florida (USA). Currently he is a full professor in Mechanical Engineering Department at Universidad del Valle. His research interest includes: soft biological tissues mechanics, fibro-reinforced materials, fatigue and fracture of mechanical systems.