DYNA
0012-7353
Universidad Nacional de Colombia
https://doi.org/10.15446/dyna.v85n204.68264

Recibido: 12 de octubre de 2017; Revision Received: 16 de enero de 2018; Aceptado: 30 de enero de 2018

M2M system for efficient water consumption in sanitary services, based on intelligent environment

Sistema M2M para el consumo eficiente de agua en servicios sanitarios, basado en ambientes inteligentes

C. González-Amarillo, aC. Cárdenas-García, aM. Mendoza-Moreno, a

TelemaTics Research Group, Universidad Pedagógica y Tecnológica de Colombia, Tunja, Colombia. caagonzalezam@unal.edu.co, cristianleonardo.cardenas@uptc.edu.co, miguel.mendoza@uptc.edu.co Universidad Pedagógica y Tecnológica de Colombia TelemaTics Research Group Universidad Pedagógica y Tecnológica de Colombia Tunja Colombia

Abstract

This paper describes the fulfilled research process for the development of an intelligent system for the efficient use of water in sanitary units in the domestic environment. Fundamentally, the research focused on two processes, firstly, the development of a high reliability system to monitor the actual consumption of sanitary units and secondly the development of an enhanced system for the intelligent control of consumption of the same sanitary unit. The research highlights the constitution of an M2M technological solution, with high precision that impacts environmental sustainability, through the generation of awareness regarding the rational use of water resources in daily actions of personal hygiene.

Keywords:

Internet of things (IoT), smart buildings, smart water, sustainability and eco-innovation, M2M (machine to machine), electronic instrumentation, smart bathroom.

Resumen

Este documento describe el proceso investigativo cumplido para el desarrollo de un sistema inteligente para el uso eficiente del agua en unidades sanitarias del entorno doméstico. Fundamentalmente la investigación se centró en dos procesos, en primer lugar, el desarrollo de un sistema de alta confiabilidad para monitorear los consumos reales de las unidades sanitarias y en segundo lugar el desarrollo de un sistema realzado para el control inteligente de los consumos de la misma unidad sanitaria. La investigación destaca la constitución de una solución tecnológica M2M, de alta precisión que impacta la sostenibilidad ambiental, por medio de la generación de conciencia respecto al uso racional del recurso hídrico en las acciones cotidianas de higiene personal.

Palabras clave:

Internet de las cosas (IoT), edificios inteligentes, gestión agua inteligente, sostenibilidad y eco-innovación, máquina a máquina (M2M), instrumentación electrónica, baño inteligente.

1. Introduction

A residential sanitary unit is a space dedicated to the care of personal hygiene and the satisfaction of the physiological needs of the human being, these units are designed under universal standards of functionality and service for the welfare and basic health of each person.

Under limited conditions in the cultural and social sphere, a sanitary unit is equipped with basic furniture including toilet, sink and shower. The advances made by the furniture industry in countries like Colombia are subject to the management of materials and mechanical techniques of operation (hydraulic), rudimentary in relation to the world. The design, technological innovation, technique and structure of the furniture are inefficient if the environmental impact and the rational consumption of water are evaluated as a parameter of evaluation, this priority being in line with basic sanitation and universal guidelines, with the Millennium Development Goals, as defined by the United Nations.

The reasons why it is possible to integrate technologies from different areas of engineering in the area of electronics and information systems go through a series of historical highs where it has been possible to achieve improvements in design, affordability, communication and instrumental intelligence in the development of tasks related to the security of user consumption information [1].

Hydraulic mechanics has always governed the systems in charge of guaranteeing the operation of the sanitary units. For this reason, a technological solution is based on electronic instrumentation, variable tracking, real-time communication and universalization of data via the Internet [2,3].

Given the conditions of relationship and operation of sensor and actuator systems (orchestration), protocols and techniques of communication, resource control and real-time monitoring, the basis of an IoT (Internet of Things-paradigm that allows designing technological schemes with a certain level of automation in the interconnected world) to positively impact the adequate consumption of essential natural resources [4]. This orchestration gives the system a new dimension to be enhanced by its functional increase in terms of hardware as an element and software as logic.

Regarding the logic designed in the development of the proposed system, Smart Water is a concept that promotes rational consumption and intelligence in the management of water resources. From this, the researchers identify that the sanitary units may well optimize their operation as IoT systems, making their main operating resource, water, enriched as Smart Water.

Due to the above, the value of this project is determined by: 1) innovation in the application of electronic instrumentation to promote environmentally friendly and rational use of water. 2) Application of the IoT paradigm for orchestrate a solution that enhances the basic elements of a sanitary unit to treat the data that will result in proactive actions on the user. 3) Obtaining real results from a case study, demonstrating the feasibility and relevance of that which was proposed and implemented.

2. Research implications

The research that derived from this product was based on the design and implementation of a system of monitoring and control of water consumption in sanitary units of domestic use. The system measures the variable flow rate through the YF-S2011 sensor, which is fitted in conventional equipment that provides the service of water supply in a bathroom (sink, shower and toilet tank). The flow time and the amount of water consumed per person are measured, these data are initially stored in an external memory in order to be subjected to a comparative historical analysis before and after the system implementation.

This development aimed to intervene in the conventional sanitary system of a bathroom with accessories and technological resources, based on the IoT paradigm, so that the interventions give the space a character of a controlled, intelligent environment.

The research progress has made it possible to establish that in general the initiatives of innovation and technological implementation for the home deal weakly with functions of adaptive control, which clearly highlights the need to promote the rational use of resources and the way of managing them, tending to stimulate the user's awareness for their home and environment.

In the deployment phase which was implemented, the adaptation of a sanitary unit (bathroom) for domestic use in a residence in the city of Tunja, Colombia, which has five (5) residents, tests were done under normal conditions of daily consumption. The control system required adaptations of infrastructure (furniture and bathroom sanitary networks), with the purpose of adjusting the devices (sensors and actuators) to the requirements of the design, this being a daily process when "things" increase their functionality to become "intelligent things" (Internet of Things). At no time during the execution of the project did the normal use of the sanitary unit cease to exist, that is, the control data were acquired on the spot and improvements were always made in relation to the needs of the users, who provided their consent to participate in the study, preserving their privacy.

Interventions range from storing information with a digital calendar system to user access, mediated by a graphical environment for both interaction and visualization of water consumption in the sanitary unit. In addition, the open-loop control systems of electromechanical actuators are responsible for executing the control action of the water supply to the user. The control system implemented with actuators refers to the operation of solenoid valves, motor pumps and servomotors, which results in the development of an electronic platform corresponding to each of the stages that make up the system, namely: power stage, control stage, digital stage, stage of analysis and data tracking, and user interface stage.

The data stored in the digital calendar allow the establishment of monitoring and comparison actions in the consumption and management of the water resource in a timeline. According to the cost of m^3 of water in the location under study, it was concluded that in economic terms the difference is substantial and in terms of environmental impact the contribution is outstanding. It also allows considering this system as generating alternatives in the way of managing water consumption through an intelligent environment in the domestic bathroom.

The technological development achieved allows the design of the intelligent environment design technique to be used for any activity that generates water consumption, it increases the capacity of control in the consumption and mitigates waste. Also, it promotes water management and it intervenes in environmental sustainability with its rational use, by means of technologically adapted environments.

From the environmental perspective, water management through technological alternatives is relevant provided it generates information that promotes behavioral changes in the user [5-7].

The vital relationships that are created from the use of water and translated into electrical energy, define the planet's environmental future, framed in the areas of human performance such as economics, politics and all those that influence human well-being [8-10].

The technological alternatives developed with the approach of intelligent environments, are an opportunity to attend spaces of high energy and water cost [11,12], therefore, management and efficiency in the consumption of water, generating the resource and its cycle, something intelligent from which derives the avant-garde concept of "intelligent water" [13-15].

The M2M (Machine to Machine) concept suggests format adaptations in computer and technologically adapted scenarios, which is why the intelligent environment developed guarantees access to information in real time, in addition to determining a degree of adaptability of the user with the system, impacting the behavior of water consumption and the rational ways of managing it.

3. System design

The development and implementation of the electronic control system for the administration and management of water in a domestic sanitary unit has four (4) stages: 1) the design of the system and the determination of the variables to be measured and controlled. 2) Electronic instrumentation, mainly in the technological intervention of furniture and sanitary networks of the domestic bathroom. 3) Hardware platform design for access, monitoring and control of the system. 4) Software development for the interoperability of sensors, actuators, digital calendar and operating logic according to the strategic order presented in the design. The four stages are linked to the real-time visualization of the system, in the interface platform.

The devices used in the development of the system can be defined based on three design criteria: 1) the sensors are an external peripheral input to the system, through which signals are obtained for further processing, analysis and treatment in software on a Microcontroller PIC18F46202. 2) these resulting signals will act on the set of external output peripherals, corresponding to the actuators, such as solenoid valves and motor pumps. 3) The system has the implementation of a Real Time Clock (RTC) module, which guarantees a digital calendar to assure the storage of data and information on the behavior of the system. The user interface was developed with a five-key logic keypad and a GLCD (Graphic Liquid Crystal Display) display.

A. Description of the implemented system

The control system for the use of water in domestic sanitary units consists of the interaction of a series of devices that orchestrated will form an intelligent environment. The water cycle in this controlled environment begins in the shower, where the supplied flow is used post-consumption as waste water or gray, for subsequent reuse in the toilet tank (first contribution regarding the efficiency of consumption). The general diagram of the elements arranged for said control process is shown in Fig. 1.

Abstraction of the system in the sanitary unit.

Figure 1: Abstraction of the system in the sanitary unit.

Source: The authors.

Returning the water cycle in the intelligent environment, so that the gray water of the shower is stored in the tank of the toilet. It is necessary to describe the logical sequence and action of the devices of the system. It was necessary to develop a structure that captures the gray water of the shower, consisting of a container equipped with level sensors with greater storage capacity than that of the toilet tank. The water will flow in the path by the action of a low-power motor pump, which will act in accordance with the logic design of the condition of the container level sensors and the toilet tank. The toilet tank is equipped with an electro-valve installed in the potable water passage so that, according to the logic of the system, it allows the flow of drinking water as long as the gray water container does not have the capacity to fill it (second outstanding contribution).

The potable water supplied by the shower is always monitored and the amount consumed is stored in memory. The water supply control of the shower consists of a servomotor that has two types of control. One of constant and progressive regulation, and one of instantaneous cut, both controls are pre-programmed from the interface. In addition, the shower has a flow sensor that keeps the main system informed of the amount of water supplied.

The system cycle continues in the sink, which was technologically enhanced with a proximity sensor that allows the activation of an electro-valve that allows the passage of drinking water for use, while the hands are at a previously calibrated distance, which activate the system. This control of supply is regulated by activating or canceling the passage of drinking water. In addition, it has a flow sensor that measures the amount of water supplied and keeps the main system and the interface platform informed (third outstanding contribution, based on quantification and enabling control actions such as dosing and personalization).

Electrical power devices such as solenoid valves and the motor pump are devices that operate with a single-phase 120VAC grid, which means that the system has a power module based on a decoupling of energy sources of different natures (Continuous-Alternate) through a MOC3021 insulation device and a 12 Amp TRIAC 4020L.

B. Considerations in system design

The system is designed to process and respond to logic states of sensors and actuators in the order of the intelligent environment, and the function each of them fulfills in the general system. One of the most important options in the structure of the system is to record the consumption of drinking water in the different elements of the bathroom (shower, washbasin and toilet). This function is one of the fundamental criteria for research towards quantification and pricing); this parameter allows comparing and evaluating both the consumption and the costs involved in the management of the water resource in the home, particularly the bathroom sanitary unit, a strategic place for this evaluation.

The adaptation of the digital calendar is a very important tool, because it allows the creation of a database to keep records of consumption and behavior in the management and analysis of both the expenditure and the saving of water resources. This part of the system is of great relevance, since it is absolutely necessary to have information to validate the system as an intelligent environment, which is able to analyze data and conditions under which water is consumed, and which also promotes inferences to behavior with respect to consumption/expenditure.

The articulation of the stages with the development of the computer system (software and hardware) correspond to the criteria centered on the design of an intelligent environment.

4. Electronic design of the system

The physical layout of the intervening elements was made in correspondence with the functions of supervision, control and performance. The logical and electronic design responds to the configuration of the sanitary unit as an intelligent environment according to the block diagram presented in Fig. 2.

Block diagram for the control system in the sanitary unit.

Figure 2: Block diagram for the control system in the sanitary unit.

Source: The authors.

The electrical and electronic circuits include analog elements and digital integrated circuits involved in the design, configured to + 5V energizing references. The microcontroller used executes tasks at a working frequency of 8 Mhz. The PWM (Pulse-Width Modulation) module, with which the shower actuator (servomotor) is operated, is detailed, which acts according to the references and limits established to guarantee the dextrorotatory and to achieve the closing of the shower valve.

In the screens presented in Fig. 3, the interaction sequences from the physical interface are observed to enable the control of water supply in the shower and subsequent monitoring of the entire system.

Navigation in the physical interface for the control of water supply.

Figure 3: Navigation in the physical interface for the control of water supply.

Source: The authors.

The screens presented in Fig. 4 show the navigation in the system to consult the historical consumption of water by the users.

Navigation in the interface platform to consult historical consumption.

Figure 4: Navigation in the interface platform to consult historical consumption.

Source: The authors.

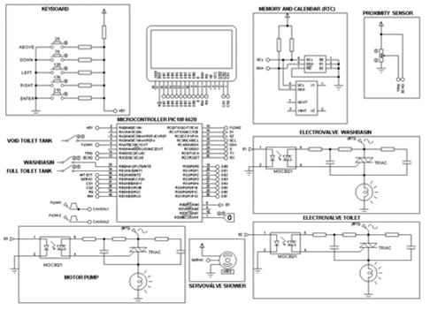
Fig. 5 shows the electronic assembly of the elements that make up the platform of the system. Some microcontroller inputs include sensors and signals from the peripheral elements of the system.

Electronic circuit and arrangement of elements for the control system.

Figure 5: Electronic circuit and arrangement of elements for the control system.

Source: The authors.

The charts that frame the different stages (digital and power) of the system correspond to the implementation necessary to ensure the orchestration of sensors and actuators within the framework of an intelligent environment elaborated from digital open-source or micro-controlled electronic platforms.

The digital flow sensor supplies signals in the form of pulses, received and processed for action in accordance with the equation calculated mathematically and characterizing its behavior. The data analysis process during the calibration allowed us to determine that 395 pulses are required to fill a liter of water and takes approximately 16 seconds. Then, several tests are performed to determine an average factor of about 785 pulses, which take 34 seconds.

The mathematical expression of the previous test results in the characteristic equation referenced in (1).

The equation represents the behavior of the flow of water in the shower, while the flow of water in the sink is different, due to pressure, which produces substantial variations in the equation.

The source code programmed in language C determines the actions of the microcontroller that governs the behavior of the system. It is designed with a structure of libraries that allow to execute actions in parallel form, according to the state of the variables and their relationship with the intervening actuators in the development of tasks.

The flow diagram of Fig. 6 represents the algorithmic design of the monitoring and control system developed.

Flow chart for the control system algorithm.

Figure 6: Flow chart for the control system algorithm.

Source: The authors.

Fig. 7 shows photographs that represent the system fully implemented in the sanitary unit of the case study. The orchestrated devices (sensors and actuators network) are highlighted to guarantee an intelligent system of water consumption control.

Implementation of the intelligent water consumption control system in a domestic bathroom.

Figure 7: Implementation of the intelligent water consumption control system in a domestic bathroom.

Source: The authors.

5. Analysis of results

According to studies by the WHO (World Health Organization), the amount of water that is spent in a shower, according to the time of use is: 100 liters in 10 minutes and the average in a 5 minutes shower corresponds to 85 liters. These data show a high degree of waste, which is why this information will determine the control of water consumed in the shower by users.

Due to the above, once the pipelines in the sanitary unit are fitted with the necessary electronic instrumentation, with measurement and visualization elements, the data corresponding to water consumption (monitoring phase) are recorded. The control system is subsequently implemented and data are recorded for water consumption (see Tables 1, 2, 3 and 4).

Table 1: Consumption of water without control system (phase of monitoring sink).

Source: The authors.

Table 2: Consumption of water without control system (phase of monitoring shower).

Source: The authors.

Table 3: Water consumption with control system implemented in sink.

Source: The authors.

Table 4: Water consumption with control system implemented in shower.

Source: The authors.

With the information collected by the system, with adaptation to the control and without adaptation to the control, regarding the biweekly consumption of water in the sink and shower, the information acquired is stored in the external memory EEPROM (Electrically Erasable Programmable Read-Only Memory), to be later plotted daily, weekly or monthly (interface phase).

Fig. 8 shows the graphical representation of the data corresponding to the consumption of water in the sink and shower for two weeks (from May 20, 2017 to June 4, 2017), this is done with the system without electronic control. Likewise, Fig. 9 shows the data corresponding to the consumption of water in the sink and shower for two weeks (from June 5, 2017 to June 20, 2017), these, with the implemented control system.

Monitoring of consumption without control system.

Figure 8: Monitoring of consumption without control system.

Source: The authors.

Monitoring of consumption with control system.

Figure 9: Monitoring of consumption with control system.

Source: The authors.

Fig. 10 shows a graphical representation of the amount of total water consumed in liters, in the 15 days that the test was implemented with the relevant variations, and the comparison of water consumption before and after the system implementation. This numerical relationship is generated by virtue of data stored in the system memory and graphically represented in the user interface platform.

Comparison of water consumption in the bath.

Figure 10: Comparison of water consumption in the bath.

Source: The authors.

The data obtained from the measurements allow to determine the amount of water that is possible to save in the bathroom, under conditions of technological adaptation. The amount of liters of water saved in the fifteen days of inspection of the implemented system is 1693 liters, with respect to the normal consumption of the family. These data suggest that in approximately one month of use of the technologically adapted sanitary unit, it is possible to save more than 3 cubic meters of water.

The information storage and interface capacity to graph historical consumption data represent a high value component in the adaptation of this type of system in the sanitary infrastructure of a household, to achieve efficiency in the consumption of water resources.

With the implementation of the system, a critical point of the household was impacted: the irrational consumption of water. Event that allows visualizing this technological application in homes and establishments where it is necessary to use sanitary units with complete services. This service is executed from the perspective of intelligent environments designed to be environmentally-friendly.

A very important functional aspect of the system is to know its energy expenditure. To determine the consumption of electrical energy necessary for the system to operate, it is important to assess the type of energy, its nature and the consumption generated. Taking into account these factors, some electronic devices used are digital in nature, energy consumption with a permanent connection does not represent significant values, they are in the range of mW / h. The power stage of the designed system consists of two solenoid valves and a motor pump, these devices operate with electrical energy of alternating nature to 120V. The solenoid valves consume around 20W / h and the motor pump consumes around 200W / h, these data are determined per unit of time, i.e., this power consumed is per hour, so the motor pump takes 45 seconds to fill the toilet tank (2.5W per activation) and solenoid valves not more than two minutes each (300mW per activation).

The costs of implementation of the system do not exceed one hundred dollars (US$100), reason enough to become an economic system, taking into account the resources that were necessary for its execution. Electromechanical devices such as solenoid valves and the motor pump were recycled from a conventional washer, being sufficient for the required function, while the necessary electronic devices are common and easily acquired.

6. Conclusions

Enabling factors can be identified for the future use of the system, promoting the implementation of energy technologies that contribute to non-contamination and degradation. This approach enables smart grid implementations, smart cities, technology integration and sustainability of intelligent electrical-electronic systems to reduce the demand for electricity and make efficient use of water. The system implemented in this research is framed within the purposes sought by state policies, aimed at a generalized environmental sustainability.

The domestic sanitary unit to be converted into an intelligent environment directly intervenes in the behavior of the user in regards to water management and affects the environmental awareness of those who make use of an adapted space, capable of providing information about historical consumption in real time. This research has demonstrated that the system is feasible, low cost and high utility, viable for a daily household, able to save approximately 3.2 cubic meters of water monthly with just one sanitary unit, an amount that allows thinking about the impact that would be generated by the technology applied to other scenarios or environments.

An intelligent environment radically modifies the behavior of the user against certain customs that may prove inadequate for the preservation of water resources and the environment. Therefore, the technology encourages adjustment in the user's habits in light of the precarious conditions in which the planet is in terms of efficiency and regulation in energy consumption, so that it is possible to use sanitary services properly, with lower consumption of means.

A system such as the one developed in the current research proposes the reuse of electrical and electromechanical elements or functional parts of appliances that are usually discarded, with the purpose of positively impacting the environment from as many fronts as possible: i) electromechanical elements. ii) Reuse of water. iii) The implementation of technologies in the control of water consumption in the home.

As applications derive from the developed system, alternatives can be proposed for use in the same household, for example the kitchen, and globally in sectors such as hotels, hospitals and commercial or educational centers.

References

  1. [1] Adi, W., Mulhem, S. and Mars, A., Secured remote sensing by deploying clone-resistant Secret Unknown Ciphers, 2017 IEEE International Conference on Consumer Electronics - Taiwan (ICCE-TW), 2017, pp. 133-134. DOI: 10.1109/ICCE-China.2017.7991031 [DOI] 🠔
  2. [2] Hosek, J., Masek, P. and Kovac, D., M2M Gateway: The centerpiece of future home. 2014 6th International Congress on Ultra Modern Telecommunications and Control Systems and Workshops (ICUMT) pp. 190-197, 2014. DOI:10.1109/ICUMT.2014.7002101 [DOI] 🠔
  3. [3] Karan, K., Bhardwaj, S. and Venkataraman, H., Different network coding techniques for multihop machine - to - machine (M2M) Communication in next generation smart environment. 2017 IEEE International Conference on Advanced Intelligent Mechatronics (AIM), 2017. DOI: 10.1109/AIM.2017.8014009 [DOI] 🠔
  4. [4] Garofalaki, Z., Kallergis, D., Katsikogiannis, G., Ellinas, I. and Douligeris, C., Transport services within the IoT ecosystem using localisation parameters. 2016 IEEE International Symposium on Signal Processing and Information Technology (ISSPIT), 2016. DOI: 10.1109/ISSPIT.2016.7886014 [DOI] 🠔
  5. [5] Magiera, E. and Froelich, W., Integrated support system for efficient water usage and resources management (ISS-EWATUS), Procedia Eng., 89, pp. 1066-1072, 2014. DOI: 10.1016/j.proeng.2014.11.226 [DOI] 🠔
  6. [6] Vieira, P., Jorge, C. and Covas, D., Novel performance assessment indices for domestic water use, Procedia Eng. , 119, pp. 813-819, 2015. DOI: 10.1016/j.proeng.2015.08.943 [DOI] 🠔
  7. [7] Helmbrecht, J., Pastor, J. and Moya, C., Smart solution to improve water-energy nexus for water supply systems, Procedia Eng. , 186, pp. 101-109, 2017. DOI: 10.1016/j.proeng.2017.03.215 [DOI] 🠔
  8. [8] Ntuli, N. and Abu-mahfouz, A., A simple security architecture for smart water management system, Procedia - Procedia Comput. Sci., 83, pp. 1164-1169, 2016. DOI: 10.1016/j.procs.2016.04.239 [DOI] 🠔
  9. [9] Pérez-Urdiales, M. and García-Valiñas, M.Á., Efficient water-using technologies and habits: A disaggregated analysis in the water sector, Ecol. Econ., 128, pp. 117-129, 2016. DOI: 10.1016/j.ecolecon.2016.04.011 [DOI] 🠔
  10. [10] Ye, Y., Liang, L., Zhao, H. and Jiang, Y., The system architecture of smart water grid for water security, Procedia Eng. , 154, pp. 361-368, 2016. DOI: 10.1016/j.proeng.2016.07.492 [DOI] 🠔
  11. [11] Yuanyuan, W., Ping, L., Wenze, S. and Xinchun, Y., A new framework on regional smart water, Procedia - Procedia Comput. Sci. , 107(Icict), pp. 122-128, 2017. DOI: 10.1016/j.procs.2017.03.067 [DOI] 🠔
  12. [12] Walker, D., Creaco, E., Vamvakeridou-lyroudia, L., Farmani, R., Kapelan, Z., and Savi, D., Forecasting domestic water consumption from smart meter readings using statistical methods and artificial neural networks. Procedia Engineering, 119, pp. 1419-1428, 2015. DOI: 10.1016/j.proeng.2015.08.1002 [DOI] 🠔
  13. [13] Stec, A., Kordana, S. and Daniel, S. Analysing the financial efficiency of use of water and energy saving systems in single-family homes. Journal of Cleaner Production, 151, 2017. DOI: 10.1016/j.jclepro.2017.03.071 [DOI] 🠔
  14. [14] Shahanas, K.M. and Sivakumar, P.B., Framework for a smart water management system in the context of smart city initiatives in India, Procedia - Procedia Comput. Sci. , 92, pp. 142-147, 2016. DOI: 10.1016/j.procs.2016.07.337 [DOI] 🠔
  15. [15] Gourbesville, P., Key challenges for smart water, Procedia Eng. , 154, pp. 11-18, 2016. DOI: 10.1016/j.proeng.2016.07.412 [DOI] 🠔
González-Amarillo, C., Cárdenas-García, C. and Mendoza-Moreno, M., M2M System for efficient water consumption in sanitary services, based on intelligent environment. DYNA, 85(204), pp. 311-318, March, 2018.