DYNA
0012-7353
Universidad Nacional de Colombia
https://doi.org/10.15446/dyna.v86n209.77286

Recibido: 16 de enero de 2019; Revision Received: 1 de marzo de 2019; Aceptado: 15 de mayo de 2019

Efecto del residuo de mampostería en la hidratación de pastas de cemento Portland

Effect of masonry residue on the hydration of Portland cement paste

Y. Silva,, aS. Izquierdo, aS. Delvasto, a

Facultad de Ingeniería, Universidad del Valle, Cali, Colombia. yimmy.silva@correounivalle.edu.co, Silvia.izquierdo@correounivalle.edu.co, Silvio.delvasto@correounivalle.edu.co Universidad Santiago de Cali Facultad de Ingeniería Universidad del Valle Cali Colombia

Resumen

En este artículo se presentan los resultados de un estudio experimental sobre el efecto de la incorporación del residuo de mampostería (RM) proveniente de residuos de construcción y demolición (RCD) en la hidratación de pastas de cemento. La cinética y las reacciones exotérmicas durante edades tempranas de hidratación fueron monitoreadas mediante calorimetría, y la presencia de productos de hidratación fue determinada mediante microscopia electrónica de barrido (SEM), análisis termogravimetrico (DTG), difracción de rayos X (XRD) y espectroscopia infrarroja por transformada de Fourier (FTIR). Los resultados muestran que la presencia de RM en las pastas hace decrecer el calor de hidratación en las primeras 48 horas. Por otra parte, las técnicas de SEM, DTG, XRD y FTIR indican que los principales productos de hidratación en las pastas adicionadas con RM son silicato de calcio hidratado (C-S-H), aluminato cálcico hidratado (CAH) y silico aluminato cálcico hidratado (CASH).

Palabras clave:

residuos de construcción y demolición, residuo de mampostería, material cementicio suplementario, pastas de cemento Portland, calor de hidratación, hidratación en edades tempranas..

Abstract

This paper presents the results of an experimental study about the effect of the incorporation of masonry residue (RM) from construction and demolition wastes (RCD) on the hydration of cementitious pastes. Kinetics of the exothermic reactions during early stage of hydration was monitored by calorimetry and the presence of hydration products was determined by scanning electron microscopy (SEM), thermogravimetry analysis (DTG), X-ray diffractometry (XRD) and Fourier-transform infrared (FTIR). The results indicate that the presence of RM in the pastes does to decrease the heat of hydration in the first 48 hours. On the other hand, the SEM, DTG, XRD and FTIR techniques indicate that the main hydration products in the pastes added with RM are calcium silicate hydrates (C-S-H), calcium aluminate hydrates (CAH) and calcium aluminum silicate hydrates (CASH).

Keywords:

construction and demolition waste, masonry residue, supplementary cementitious materials, Portland cement pastes, hydration heat, early-stage of hydration..

1. Introducción

La industria de la construcción es uno de los sectores que consume más recursos naturales, además de generar una gran cantidad de residuos producidos durante la construcción de diferentes obras y demolición de edificios o casas cuando estos llegan al final de su vida útil o por motivos de remodelación [1,2]. Los residuos de demolición y construcción (RCD) son considerados los más voluminosos y pesados en la Unión Europea representando aproximadamente el 25-30% de todos los residuos generados [2], y en Estados Unidos se estima que constituyen del 10% al 30% [3]. Estos volúmenes son tan altos que se consideran inaceptables desde el punto de vista ambiental, social y económico, además que tienden al alza debido al rápido crecimiento de la población y la rápida industrialización.

El reciclaje y reutilización de los RCD se ha convertido en un tema de interés mundial en las últimas décadas gracias a una mayor concientización, generando aplicaciones alternativas a estos residuos como se ha demostrado por numerosos estudios empleándolos como agregado reciclado en concretos o incorporándolo en bases y sub-bases para la construcción de carreteras [4-10].

La mayor parte de los residuos de construcción y demolición están compuestos por concreto y cerámica [11,12], donde gran parte son unidades de mampostería de arcilla cocida (ladrillos) y mortero de cemento Portland como ligante (la mayoría en construcciones residenciales). Además, a nivel mundial, la producción anual de ladrillo se encuentra sobre los 1931 millones de unidades y se espera que esta cantidad cantidad continúe aumentando [13], generalmente entre el 3% y 7% de la producción total es defectuosa y parte de los desechos generados se depositan en vertedores (Fig. 1a). Además de esta considerable cantidad de residuos de ladrillo, hay otra fuente como son los generados en la demolición de estructura de mampostería (ladrillo y mortero) (Fig. 1b), que son cada vez más comunes debido a que muchas estructuras han alcanzado el tiempo de su vida útil o en la minoría de los casos por remodelaciones en las viviendas, haciendo más frecuente el depósito de estos materiales en vertederos especialmente en las grandes ciudades, lo que intensifica los problemas debido a la saturación de estos y obliga a la ocupación de más espacios para la disposición de estos residuos, volviéndolos focos de contaminación.

a) elementos no conformes de la industria ladrillera y b) residuo de mampostería.

Figura 1: a) elementos no conformes de la industria ladrillera y b) residuo de mampostería.

Fuente: Los Autores

El uso del residuo de mampostería como material cementicio suplementario (MCS) y como agregado para la fabricación de concreto [14-16] es una alternativa viable. Especialmente, cuando el RM contiene residuos de ladrillos de arcilla cocidos que actúan como puzolana ya que algunos minerales que presentan estos materiales al someterse a temperaturas entre 600 y 900 °C y molerse finamente presentan actividad puzolanica [17]. La reactividad que puede alcanzar este residuo arcilloso en este rango de cocción es debido a la perdida de agua generada por el tratamiento térmico que causa la perdida de agua combinada y la destrucción de la red cristalina de los constituyentes de la arcilla, mientras la sílice y alúmina permanecen en desorden, en todos los casos en un estado amorfo inestable [18]. La sílice (SiO2) y Alúmina (Al2O3) que se encuentran en los materiales puzolánicos cuando se combinan con la portlandita (CH) producida por la hidratación del cemento y agua, pueden formar silicatos de calcio y aluminatos [19].

En el caso específico del residuo de mampostería, el grado de actividad puzolánica depende de diversos factores como son: el tipo de arcilla, la cantidad de sílice y alúmina disponible para reaccionar con el CH, el grado de cristalinidad debido a las condiciones de cocción (periodo de calentamiento, temperatura y tipo de ciclo), el área superficial de las partículas y la relación entre el material arcilloso cocido y el mortero presente en el residuo de mampostería [19,20]. El uso del residuo de mampostería como MCS ha sido poco investigado.

En la literatura hay pocos estudios entre los que se destacan los realizados por Liu et al. [20] quienes emplearon polvo híbrido reciclado (sólidos de concreto y ladrillo de arcilla) como material cementante suplementario enfocándose en la influencia de las diferentes relaciones ladrillo de arcilla-mortero. Silva et al. [21] empleó residuo de mampostería para la elaboración de concreto autocompactante (CAC) obteniendo resultados satisfactorios en las propiedades en estado fresco en todos los porcentajes de reemplazo de cemento que se encontraba en un rango de 0 a 50%, además de obtener resistencia a la compresión similares con reemplazo de 10% y 20% de RM al CAC de referencia.

La presente investigación tiene como objetivo analizar el desarrollo microstructural y el proceso de hidratación de pastas con 0%, 20% y 50% de RM como reemplazo parcial del cemento Portland. Las propiedades físico-químicas de la pasta de cemento se determinaron a diferentes edades hasta 360 días. Técnicas como XRD, FTIR, DTG y SEM fueron empleadas para la identificación de los productos de hidratación.

2. Materiales y método experimental

2.1. Materiales

En este estudio el material cementicio empleado fue cemento Portland (OPC) tipo I conforme a la ASTM C150 con una adición mineral entre 6-10% de filler calcáreo. Este cemento está disponible en Colombia y se emplea comúnmente en la industria de la construcción. El residuo de mampostería (RM) fue usado como material MSC, y se muestra en la Fig. 2, el cual fue obtenido del muestreo de varias remodelaciones de casas. El RM fue triturado y pulverizó en un molino de bolas. La composición química del OPC y RM fueron determinadas mediante FRX y los resultados se dan en la Tabla 1.

Residuo de mampostería obtenido de RCD de casas remodeladas.

Figura 2: Residuo de mampostería obtenido de RCD de casas remodeladas.

Fuente: Los Autores

Tabla 1: Composición química (%wt) del cemento Portland ordinario (OPC) y residuo de mampostería (RM).

*PI: Perdida por ignición.

Fuente: Los Autores.

La Tabla 1 muestra que aproximadamente el 80% en peso del RM está compuesto de SiO2, Al2O3, y Fe2O3. La distribución del tamaño de particula y la morfología del RM y el OPC anhidro se muestra en la Fig. 3 y Fig. 4 respectivamente. Como se puede observar en la Fig. 3, el RM presenta un rango más amplio de tamaño de partícula en comparación con el OPC. Los tamaños de partícula promedio del RM y OPC fueron de 24,09 ± 0,02 μm y 21,65 ± 0,02 μm, respectivamente. En la Fig. 4, se puede observar que RM y el OPC presentan partículas de formas angulares e irregulares.

Distribución de tamaño de partícula del residuo de mampostería y cemento Portland ordinario.

Figura 3: Distribución de tamaño de partícula del residuo de mampostería y cemento Portland ordinario.

Fuente: Los Autores.

Morfología de RM (a) y OPC anhidro (b).

Figura 4: Morfología de RM (a) y OPC anhidro (b).

Fuente: Los Autores.

Las pastas fueron elaboradas con una relación agua/cementante (a/c) en peso de 0,28 e inmediatamente después de la mezcla, la pasta en estado fresco se vertió en moldes. Las pastas de cemento con y sin RM endurecidas se retiraron después de 24 horas, y se sumergieron en agua a temperatura ambiente durante 3, 28, 180 y 360 días de curado. Estas pastas fueron nombradas como PATRON, 20% RM y 50% RM, en donde el numero representa el porcentaje en masa de residuo de mampostería que reemplazo el OPC.

2.2. Métodos analíticos

El objetivo de este programa experimental fue analizar el efecto del residuo de mampostería sobre los productos de hidratación cuando se emplea como adición en pastas de cemento Portland. Diferentes métodos de prueba fueron empleados. Un calorímetro isotérmico (I-Cal 8000) se utilizó para estudiar las reacciones producidas mediante la velocidad de calor producido (potencia térmica) por la hidratación. Este ensayo se llevó a cabo en muestras de 30 gramos de pasta,a una temperatura de 25 °C por un periodo de 48 horas.

Para el análisis de los productos de hidratación formados, se realizaron varias muestras de pastas y se curaron bajo agua por un periodo de 3, 28, 180 o 360 días (sin RM y con RM). Luego las muestras endurecidas se molieron y se detuvo el proceso de hidratación “congelación” con acetona y etanol. Varias técnicas se emplearon, como termogravimetría diferencial (DTG) para analizar el contenido de la Portlandita (CH) en las pastas endurecidas. Las mediciones de DTG (SDT-Q600) se realizaron calentando las muestras desde 25 °C a 1000 °C a una velocidad de calentamiento de 10 °C/min bajo atmosfera de nitrógeno. La difracción de rayos X (XRD) se realizó en un difractometro PANalytical X´Pert PRO, y la espectroscopia infrarrojo por transformada de Fourier (FTIR) se realizó en un espectrómetro IR-100 de Perkin Elmer en modo de transmitancia con un rango de frecuencia entre 4000 y 450 cm-1 (las muestras fueron evaluadas utilizando la metodología de pellets comprimidos de KBr: 200 mg de KBr y 3,5 mg de pasta). Ademas de estas técnicas empleadas para la caracterización mineralógica y microestructural, se utilizó microscopia electrónica de barrido (SEM) (JSM 6490LV JOEL) para observar los productos formados durante la hidratación.

La resistencia a la compresión de las diferentes pastas se evaluó a 28, 180 y 360 días acorde con la ASTM C109. Las pruebas fueron realizadas en probetas cubicas (20 mm x 20 mm x 20 mm). Se ensayaron tres muestras para cada tipo de mezcla para obtener el valor promedio de resistencia a la compresión. La prueba se realizó hasta la ruptura en una prensa universal (Instron 3369) a una velocidad de 1 mm/min.

3. Resultados y discusiones

3.1. Estudio calorimétrico por calorimetría isotérmica

La técnica Calorimetría de conducción isotérmica muestra el calor generado en la reacción de hidratación de las mezclas de las pastas a través del tiempo. La Fig. 5 presentan las curvas correspondientes a la evolución de la liberación de calor y el calor de hidratación acumulado en las pastas elaboradas con 100% OPC y adicionadas con 10%, 20%, 30% y 50% de RM. Las curvas de hidratación fueron obtenidas a partir de la integración de las curvas de evolución de liberación de calor.

Curvas calorimétricas de pastas de cemento sin y con adición de RM.

Figura 5: Curvas calorimétricas de pastas de cemento sin y con adición de RM.

Fuente: Los Autores.

En las curvas de evolución de liberación de calor presentadas en la Fig. 5, se aprecia en los primeros minutos la aparición de un pico de gran liberación de calor el cual es atribuido a la hidroxilación de los granos de cemento, la disolución superficial y la hidrólisis de las fases del Clinker que conducen a la liberación de los iones Ca2+, OH-, SiO4 4-, SO4 2- y Al(OH)4- en la solución con el incremento simultáneo del pH [22-24]. Las muestras con contenidos del 30% y 50% de RM exhibieron las menores liberaciones exotérmicas, presentando valores de 12,27 J/g y 11,95 J/g respectivamente, como se presenta en la Tabla 2. Para el caso de las pastas con porcentajes de adición del 10% y 20% de RM se aprecia que estas exhibieron calores de hidratación similares al del 100% OPC (alrededor de 14 J/g). La aparición de este pico de pre-inducción también es generada por la precipitación de los primeros productos de hidratación tales como Portlandita (CH), Etringita-AFt y Tobermorita (C-S-H). Se aprecia que la adición entre 10% y 20% de RM no afecta este comportamiento.

Posterior al periodo de pre-inducción se genera la etapa de inducción, también conocida como “periodo durmiente”. Esta se caracteriza por la disminución en el calor liberado y la disolución de los aluminatos cálcicos anhidros, junto al progreso de la nucleación de los productos de hidratación. En esta etapa se alcanzan velocidades de disolución y precipitación similares, las cuales no permiten continuar la hidratación hasta que la nucleación alcanza un tamaño y una cantidad crítica. En este punto ocurre una rápida y masiva precipitación de productos de hidratación, gobernado por un fuerte efecto exotérmico y la generación de la máxima velocidad de liberación de calor. Es de resaltar que dentro del proceso de disolución las partículas de cemento anhidro expuestas al agua reaccionan y la nucleación toma lugar en la superficie de estos granos ocasionando que la capa de productos de hidratación ubicados alrededor de las partículas obstaculice la penetración del agua [24].

Las muestras con adición de RM presentaron un incremento en el tiempo de aparición del periodo de inducción en comparación con la PATRON, sin embargo para las muestras con 10% RM y 20% RM se aprecia una reducción en esta etapa. Este comportamiento puede ser atribuido a que esta adición absorbe los iones de Ca y provee en el sistema centros de nucleación los cuales son rápidamente cubiertos por una capa de productos de hidratación y genera una reducción en el tiempo de sobresaturación y precipitación de estos productos. Cuando se analiza el comportamiento de los diferentes porcentajes de esta adición al cemento se aprecia que las mezclas con el 10% y 20% de RM hacen que la duración de este periodo de inducción sea más corta. Este comportamiento puede ser debido a que la presencia de partículas de la adición genera en el sistema centros de nucleación que son rápidamente cubiertos con una capa de productos de hidratación, lo que genera una reducción en el tiempo de sobresaturación y precipitación de estos productos, sin embargo, este efecto no es apreciado a mayores porcentajes de reemplazo.

En la tercera etapa de aceleración observada en el gráfico de evolución de calor liberado se da inicio al proceso de cristalización de una mayor cantidad de productos de hidratación que llenan progresivamente los espacios vacíos entre las partículas de cemento, para crear puntos de contacto que generan la rigidización de la pasta. Este comportamiento marca el inicio del fraguado del material [24] y es producto de la reacción entre las capas más profundas de silicato de calcio con el agua [23]. Adicionalmente, en este segundo pico se aprecia la aparición de un hombro el cual es asociado con la reacción de hidratación de los aluminatos y la formación final de la etringita [25].

En la Fig. 5 se observa que el pico máximo de liberación de calor se ve influenciado por el incremento del porcentaje de reemplazo de cemento por RM, es así que las pastas sin adición (PATRON) y aquellas con adición del 10%, 20%, 30% y 50% de RM exhibieron tiempos de 6,17 h, 6,96 h, 7,89 h, 8,80 h y 9,80 h, respectivamente como se aprecia en la Tabla 2. Este comportamiento puede indicar que la eficiencia de la adición de RM como MCS disminuye rápidamente con su incremento en el sistema, lo que posiblemente genera un retraso en el proceso de hidratación del C3S [26]. Además, la menor evolución del calor liberado, respecto al pico de hidratación principal fue exhibida por la mezcla con adición de 50% RM, seguida de las mezclas 30% RM, 20% RM, 10% RM y finalmente por la mezcla PATRON (Fig. 5).

Tabla 2: Resultados de la calorimetría isotérmica.

Fuente: Los Autores.

Adicionalmente se apreció que la adición de RM al cemento Portland influyó en la reacción de los aluminatos, como se observa en la aparición del hombro característico en el segundo pico correspondiente a la curva de evolución de calor liberado (Fig. 5). La muestra con adición del 50% RM fue quien presentó el pico más intenso incluso superior a la máxima evolución de calor liberado de la reacción de hidratación del silicato de calcio y fue fijado antes en comparación a la muestra patrón.

Este comportamiento es un indicativo de que el RM está acelerando la reacción de los aluminatos de calcio y es posiblemente resultados de los compuestos de aluminio activos que son formados durante la calcinación de la arcilla roja del ladrillo y dan origen a estos componentes puzolánicos.

Es decir que la aparición temprana de este pico intenso exotérmico correspondiente a la reacción de los aluminatos, como consecuencia de la mayor liberación de iones aluminato que ocasionan un consumo más rápido del yeso [27].

La Fig. 6 presenta el calor total liberado durante las primeras 48 horas de hidratación de las diferentes pastas de cemento adicionadas con RM en comparación a aquella sin adición (PATRON). Se aprecia que durante todo el periodo de estudio de las pastas las muestras con mayor calor de hidratación liberado son las pastas sin adición (204 J/g) seguidas por 10% RM (192 J/g), 20% RM (181 J/g), 30% RM (162 J/g) y finalmente 50% RM (130 J/g). Este comportamiento puede ser atribuido al efecto dilución ocasionado por la incorporación de una adición mineral al cemento, siendo este efecto incrementado al aumentar dichos porcentajes de reemplazo, esto se explica con base en la relacion RM/cemento Portland el cual alcanza límites por encima de los cuales la reacción de la adición con la portlandita es deficiente como consecuencia del suministro insuficiente de Ca(OH)2 [28,29].

Curvas de evolución del calor de hidratación en las primeras 48 horas de pasta de cemento adicionadas con RM.

Figura 6: Curvas de evolución del calor de hidratación en las primeras 48 horas de pasta de cemento adicionadas con RM.

Fuente: Los Autores.

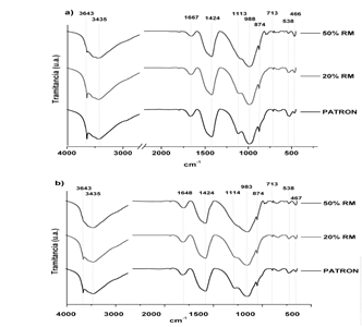
3.2. Resultados de espectroscopia FTIR

La Fig. 7 muestra los espectros de FTIR a 28 y 360 días de las diferentes mezclas (PATRON, 20% RM y 50% RM) en la región de 4000 cm-1 a 400 cm-1. La banda ancha alrededor de 3432 cm-1 corresponde al agua enlazada en los productos de reacción [30]. La banda a 3643 cm-1 es debido a las especies (OH) de Ca(OH)2 [31]. La banda ubicada en longitudes entre 1640 cm-1 y 1650 cm-1, corresponden a las vibraciones de valencia de grupos O-H del agua ligada a sulfatos presentes en el cementante [32] o el agua molecular absorbida. La banda de carbonatos se observa en 1420-1480 cm-1 y se presenta en las muestras hidratadas inicialmente, surgen de las reacciones del CO2 atmosférico con el hidróxido de calcio o del carbonato presente en el cemento Portland. La banda ubicada en longitudes de onda entre 1100 cm-1 y 1200 cm-1, corresponde a la vibración S-O asociada al SO4. La banda a 874 cm-1 y 713 cm-1 son atribuido a las vibraciones ʋ2 y ʋ4 del CO3 -2 respectivamente [33], la presencia del CaCO3 se atribuye al CO2 absorbido durante la preparación de las muestras, y a la adición calcárea presente en el OPC [34].

Espectro FTIR de pastas: a) 28 días y b) 360 días de curado.

Figura 7: Espectro FTIR de pastas: a) 28 días y b) 360 días de curado.

Fuente: Los Autores.

En general, se evidencia que la banda ubicada en longitudes de onda entre 3644 cm-1 y 3641 cm-1 correspondiente al Ca(OH)2, es inferior para las mezclas adicionadas con 20 y 50% de RM respecto a la mezcla PATRON, esto debido a la menor disposición de la portlandita en las pastas adicionadas. A los 360 días de curado, esta banda no se observa en la pasta que contenía 50% de RM (50% RM) atribuido al desarrollo de las reacciones puzolánicas. Este comportamiento se relaciona con el mostrado en las bandas con longitudes de onda cercanas a 991 cm-1 correspondiente al gel C-S-H, debido a que cuando el cemento esta anhidro presenta una banda de estiramiento Si-O (ʋ3) que se ubica en 925 cm-1, y al reaccionar con el agua, esta banda se desplaza hacia una frecuencia más alta y aparece una banda fuerte en un rango de 991 cm-1 a 983 cm-1 debido a la formación del compuesto silicato de calcio hidratado (C-S-H) [30,35]. Esto explica la polimerización de las unidades SiO4 4- presentes en C3S y C2S. En las dos edades evaluadas, las pastas analizadas presentan la banda a valores alrededor de 983 cm-1, asociadas al principal producto de hidratación C-S-H. La vibración de estiramiento a 1117 cm-1 que se desplaza hacia una frecuencia más baja (1112 cm-1) y se transforma en una banda más débil es atribuido al consumo de yeso y la formación de la ettringita.

El aumento de la intensidad de vibración alrededor de 1640 cm-1 y 3430 cm-1 indican la formación de silicato de calcio hidratado, mientras que la desaparición del pico a alrededor de 525 cm-1 es debido a la reacción puzolánica [30].

3.3. Análisis Termogravimétrico (DTG) consumo de la Portlndita

La evaluación del proceso de hidratación también se llevó a cabo por medio de la técnica de Análisis térmico diferencial (DTG). En la Fig. 8 se presentan los resultados obtenidos para las pastas adicionadas con 0%, 20% y 50% de RM a edades de 3, 28 y 180 días. Se puede observar en las curvas, la deshidroxilacion de las principales fases hidratadas durante el proceso de hidratación del cemento y la reacción puzolanica. En general, en el intervalo de temperatura entre 70 °C - 300 °C, se presenta una perdida de agua (libre y enlazada) [36,37]. El primer pico localizado por debajo de los 100 °C se debe principalmente por la evaporación del agua libre. Este fenómeno es más notorio para la pasta con 50% de RM, debido al mayor efecto dilución presentado en esta mezcla. Por otra parte, la pérdida de masa puede deberse a un secado incompleto de la muestra, pero a partir de los 80 °C, la perdida de agua corresponde a la deshidratación del C-S-H [38,39], en algunos casos, se superpone con el pico 2 correspondiente a la descomposición de la etringita (AFt), ubicada entre 100 y 180 °C [40]. El pico 3, localizado en un rango 180 - 240 °C, se atribuye al proceso de deshidratación de los aluminatos cálcicos hidratados (HAC) e hidratos de aluminosilicatos de calcio (CASH). El pico 4 corresponde a una reacción endotérmica localizado alrededor de los 420 °C, el cual es característico de la deshidratación de la portlandita (CH) [39]. Un último pico, cercano a los 700 °C, es característico de la descomposición del carbonato de calcio (CaCO3), que indica la posible carbonatación de alguno de los hidratos formados durante el manejo de las muestras. Se puede observar que a medida que avance el tiempo de hidratación, las curvas DTG presentaron un cambio debido a los procesos de hidratación que las pastas han presentado.

Curvas DTG a diferentes tiempos de hidratación de pastas: a) 3 días, b) 28 días y c) 180 días.

Figura 8: Curvas DTG a diferentes tiempos de hidratación de pastas: a) 3 días, b) 28 días y c) 180 días.

Fuente: Los Autores.

Se puede observar en la Fig. 8 que la intensidad de los picos aumenta con la edad de curado, excepto el pico 4 de las pastas con RM. Este comportamiento se puede explicar en parte por el aumento de la cantidad de los productos de hidratación formados [41]. Cabe resaltar la diferencia que existe en el pico 3 de la pasta PATRON y las pastas con RM; esto se atribuye al aporte de alúmina de este residuo y al avance de las reacciones puzolánicas. El aumento es más notorio en los primeros tres picos de las pastas con RM, atribuido a que pequeñas cantidades de RM actúan como agentes de nucleación que mejoran el proceso de hidratación [42].

El efecto puzolánico fue analizado a partir del pico 4 de los DTG, mediante la medición del consumo del hidróxido de calcio en la pasta con 20% de RM. Se observa que la mezcla 20% RM presento una menor cantidad de CH en comparación a la mezcla PATRON, este comportamiento se observó a lo largo de todas las edades, confirmando así el carácter puzolánico del RM. La fijación del % de cal se calculó siguiendo la ecuación 1 [36,39].

Donde CHc es la cantidad de portlandita en la pasta de control para una edad determinada, CHp es la Cantidad de portlandita en la pasta con la puzolana a la misma edad de la pasta de control y C es la proporción del cemento en la pasta. Los resultados obtenidos de la ecuación 1 se presentan en la Tabla 3. El aumento continuo de pérdida de peso de la pasta PATRON es atribuido a la hidratación de los silicatos de calcio anhidro, contribuyendo a una mayor producción de la portlandita, mientras que la pérdida menor de peso de la pasta 20% RM, son debida a la menor proporción de OPC y por la reacción puzolanica, donde es más notoria en el periodo más largo (180 días de curado).

Tabla 3: Porcentaje de cal fijada para la pasta 20 %RM.

Fuente: Los Autores.

3.4. Análisis de Difracción de rayos X (XRD)

Los difractogramas obtenidos de la mezcla PATRON, 20% RM y 50% RM a los 3, 28 y 360 días de curado se muestran en la Fig. 9. Se observa que todos los patrones de difracción son similares, sin embargo las intensidades son diferentes. Portlandita (CH), etringita (E) y aluminato cálcico hidratado (CAH), son los principales productos de hidratación identificados. También se identificaron otras fases como el silicato tricalcico-Alita (C3S), silicato bicalcico-Belita (C2S), cuarzo (Q), anortita (A) y calcita (C) características de las fases no hidratadas del OPC o fases correspondientes al RM.

Difracción de rayos X de pastas de cemento endurecidas: a) 3 días, b) 28 días y c) 360 días.

Figura 9: Difracción de rayos X de pastas de cemento endurecidas: a) 3 días, b) 28 días y c) 360 días.

Fuente: Los Autores.

Como se muestra en los difractogramas de la pastas y principalmente en la pasta PATRON, se observan fases remanentes del Clinker, como son el C2S y C3S, las cuales siguen existiendo a los 360 días de curado. Sin embargo se aprecia una disminución de las intensidades de estos picos con el aumento de la edad de curado como consecuencia de la hidratación de las fases del OPC. Por otra parte en la pasta PATRON, los picos de la fase portlandita (CH) aumentan con el tiempo de curado, esto es debido a la hidratación de las fases de silicato del Clinker que dan lugar a la formación del silicato cálcico hidratado (C-S-H) y la liberación de CH [42].

Para las pastas de OPC con 20% RM y 50% RM, se puede observar que la incorporación de este residuo en las primeras edades provoca un efecto dilución por lo que se observa una disminución de intensidad en los picos correspondientes a los silicatos [45]. Por otra parte, los picos correspondientes al CH disminuyen también, lo que indica el desarrollo de reacciones puzolánicas [42,46]. Este efecto se observa de manera más significativa a mayores edades, donde los picos de CH han disminuido notoriamente en comparación con la pasta PATRON.

En el caso particular del cuarzo (Q), este pico es más intenso para las pastas de OPC- RM, debido a la presencia de esta fase mineralógica en esta adición, como consecuencia de la arena presente en el mortero de pega. Se debe tener en cuenta que el silicato de calcio hidratado (C-S-H), es principalmente amorfo, por lo que la identificación mediante esta técnica tiene un valor limitado [47,48].

3.5. Resultados de resistencia a la compresión de las pastas endurecida

Los resultados de resistencia a la compresión de las pastas endurecidas se muestran en la Fig.10. Los valores de resistencia a la compresión de las pastas aumentan continuamente hasta la edad ensayada (360 días); este comportamiento es atribuido principalmente a la formación de productos de hidratación del OPC con altas propiedades hidráulicas como el C-S-H, que actúan como centros de unión fuertes [46]. Esta tendencia también se observó en las pastas de OPC con RM. Las pastas preparadas con RM presentaron resistencias más bajas en comparación a la pasta de referencia (PATRON) a los 28 días de curado debido a la dilución del contenido de cemento [49]. Esta disminución se hace más notoria cuando se emplean altas proporciones de RM, como es el caso de la mezcla 50% RM.

Resistencia a la compresión de pastas con y sin RM.

Figura 10: Resistencia a la compresión de pastas con y sin RM.

Fuente: Los Autores.

La diferencia de resistencia a la compresión entre la pasta PATRON y las pastas con presencia de RM fue menor o mínima a los 180 y 360 días de curado, este comportamiento es debido principalmente a la reacción puzolanica del RM con el hidróxido de calcio (CH) liberado en la hidratación del cemento Portland, formando productos adicionales como las geles de C-S-H. Estos productos de reacción puzolanica actúan como micro-rellenos que conducen a una mayor densificación (menor porosidad total) que las pastas adicionadas a edades tempranas, y por lo tanto generan un aumento en la resistencia a la compresión [29]. La diferencia en la resistencia a la compresión de la mezcla PATRON en comparación con las mezclas añadidas con RM a los 28 días de curados fue 5,2% y 25,6% y de 0,95% y 16,9% a los 360 días de curado para las mezclas 20% RM y 50% RM respectivamente. Este notable aumento en los valores de resistencia a la compresión de la pasta adicionada puede atribuirse al hecho que cuando se adiciona agua a la mezcla OPC-RM, el hidróxido de calcio se libera debido a la hidratación inicial de la fracción de OPC, luego la sílice y alúmina del RM entra en solución y forman hidratos secundarios [46]. Sin embargo, la reducción de resistencia de la mezcla con 50% de RM puede atribuirse al número de fases residuales del RM que actúan como filler en esta pasta.

3.6. Resultados SEM

El análisis microestructural de la pasta PATRON y las adicionadas con RM se muestran en la Figs. 11, 12 y 13; donde se aprecia la densificación debido a la evolución de hidratación en cada mezcla. A los 28 días de curado se observan pequeñas agujas prismáticas, indicando la formación de etringita (E). También se observan formación del gel C-S-H, la presencia de portlandita (CH) y carbonato de calcio (C). Finalmente a los 360 días se puede observar en general una mayor formación del gel C-S-H y en el caso de las pastas adicionadas con 50% de RM, no se observa la presencia del CH, esto podría confirmar el carácter puzolánico de este residuo, sin embargo, en el XRD se detectó el CH con menos intensidad en comparación a las otras pastas. Por otra parte el RM, presenta en su composición química Al2O3, además de presentar los ingredientes necesarios para la formación de etringita, como son: Ca, Al, S [50], por lo que esta fase también se percibe en las diferentes mezclas a los 3, 28 y 360 días, aunque en todas las imágenes SEM no esté presente. Las imágenes SEM tomadas a una magnificación x500 (Figs. 11, 12 y 13) muestran el proceso de hidratación en las pastas a diferentes edades de curado.

Imágenes SEM de: (a) PATRON, (b) 20% RM and (c) 50% RM a 3 días de curado.

Figura 11: Imágenes SEM de: (a) PATRON, (b) 20% RM and (c) 50% RM a 3 días de curado.

Fuente: Los Autores.

Imágenes SEM de: (a) PATRON, (b) 20% RM and (c) 50% RM a 28 días de curado.

Figura 12: Imágenes SEM de: (a) PATRON, (b) 20% RM and (c) 50% RM a 28 días de curado.

Fuente: Los Autores

Imágenes SEM de: (a) PATRON, (b) 20% RM and (c) 50% RM a 360 días de curado.

Figura 13: Imágenes SEM de: (a) PATRON, (b) 20% RM and (c) 50% RM a 360 días de curado.

Fuente: Los Autores.

4. Conclusiones

Con base en los resultados obtenidos en esta investigación, las siguientes conclusiones generadas:

La incorporación de RM en las pastas de cemento Portland generan un decremento del calor de hidratación, atribuido al efecto dilución causado por la incorporación de esta adición mineral en el cemento, este efecto es mayor cuando los porcentajes de remplazo incrementan.

El RM tiene potencial como material puzolánico, demostrado por su capacidad para fijar la portlandita. En esta investigación, los porcentajes de cal fijada fueron de 4,36% y 21,08% a los 28 y 180 días de curado.

La resistencia a la compresión de las pastas con presencia de RM decrece significativamente a los 28 días de curado. Este decrecimiento en la resistencia en esta edad de curado es debido al predominante efecto dilución, sin embargo, la reactividad puzolanica del RM genera reacciones a largas edades de curado (180 y 360 días), que permiten el desarrollo de nuevos productos de reacción, que generan mayores ganancias de resistencia en comparación a la pasta PATRON.

Se demostró que el residuo de mampostería (RM) que tiene valor como material de partida (MCS) para la incorporación en la producción de materiales a base de cemento Portland.

Acknowledgements

Agradecimientos

Los autores agradecen a: Universidad del Valle (Colombia), Grupo Materiales Compuestos (GMC), Centro de Excelencia de Nuevos Materiales (CENM, Universidad del Valle), and COLCIENCIAS. Los autores expresan también sus agradecimientos a la Vicerrectoría de Investigaciones de la Universidad del Valle, por su apoyo a través del proyecto “Aerogeles de nanosilice para recubrimientos superaislantes ecosostenibles. C.I.: 910 de la. Convocatoria Interna 3- 2016”.

Referencias

  1. [1] Duan, H., Yu, D., Zuo, J., Yang, B., Zhang, Y. and Niu. Y . Characterization of brominated flame retardants in construction and demolition waste components: HBCD and PBDEs. Science of the Total Environment, 572, pp. 77-85, 2016 DOI: 10.1016/j.scitotenv.2016.07.165 [DOI] 🠔
  2. [2] Dominguez, A., Dominguez, M.I., Ivanova, S., Centeno, M.A. and Odriozola, J.A., Recycing of construction and demolition waste generated by building infrastructure for the production of glassy materials. Ceramic International, 42, pp. 15217-15223, 2016. DOI: 10.1016/j.ceramint.2016.06.157 [DOI] 🠔
  3. [3] Adamson, M., Razmjoo, A. and Poursaee. A ., Durability of concrete incorporating crushed brick as coarse aggregate. Construction and Building Materials, 94, pp. 426-432, 2015. DOI: 10.1016/j.conbuildmat.2015.07.056 [DOI] 🠔
  4. [4] Silva, Y.F., Robayo, R.A., Mattey, P.E. and Delvasto, S., Properties of self-compacting concrete on fresh and hardened with residue of masonry and recycled concrete. Construction and Building Materials, 124, pp. 639-644, 2016 DOI: 10.1016/j.conbuildmat.2016.07.057 [DOI] 🠔
  5. [5] Arulrajah, A., Piratheepan, J. and Disfani, M.M., Geotechnical and Geoenvironmental properties of recycled construction and demolition materials in pavement subbase applications. Journal of Materials in Civil Engineering. 25(8), pp. 1077-1088, 2013. DOI: 10.1061/(ASCE)MT.1943-5533.0000652 [DOI] 🠔
  6. [6] Jiménez, J.R., Ayuso, J., Galvín, A.P., López, M. and Agrela, F., Use of mixed recycled aggregates with a low embodied energy from non-selected CDW in unpaved rural roads. Construction and Building Materials 34, pp. 34-43, 2012. DOI: 10.1016/j.conbuildmat.2012.02.042 [DOI] 🠔
  7. [7] Vieira, C.S. and Pereira, P.M., Use of recycled construction and demolition materials in geotechnical applications: a review. Resources, Conservation and Recycling. 103, pp. 192-204, 2015. DOI: 10.1016/j.resconrec.2015.07.023 [DOI] 🠔
  8. [8] Etxeberria, M., Vasquez, E., Mari, A. and Barra, M., Influence of amount of recycled coarse aggregates and production process on properties of recycled aggregate concrete. Cement and Concrete Research. 37(5), pp. 735-742, 2007. DOI: 10.1016/j.cemconres.2007.02.002 [DOI] 🠔
  9. [9] Vegas, I., Ibanez, J.A., San Jose, J.T. and Urzelai, A., Construction demolition wastes, Waelz slag and MSWI bottom ash: A comparative technical analysis as material for road construction. Waste Management. 28(3), pp. 565-574, 2008. DOI: 10.1016/j.wasman.2007.01.016 [DOI] 🠔
  10. [10] Señas, L., Priano, C. and Marfil, S., Influence of recycled aggregates on properties of self-consolidating concretes. Construction and Building Materials. 113, pp. 498-505, 2016 DOI: 10.1016/j.conbuildmat.2016.03.079 [DOI] 🠔
  11. [11] Özalp, F., Yilmaz, H.D., Kara, M., Kaya, O. and Sahin, A., Effects of recycled aggregates from construction and demolition waste on mechanical and permeability properties of paving stone, kerb and concrete pipes. Construction and Building Materials. 110, pp. 17-23, 2016. DOI: 10.1016/j.conbuildmat.2016.01.030 [DOI] 🠔
  12. [12] Demir, I. and Orhan, M., Reuse of waste bricks in the production line. Building and Enviroment. 38(12), pp. 1451-1455, 2003. DOI: 10.1016/S0360-1323(03)00140-9 [DOI] 🠔
  13. [13] Zhang, L., Production of bricks from waste materials - A review. Construction and Building Materials. 47, pp. 643-655, 2013. DOI: 10.1016/j.conbuildmat.2013.05.043 [DOI] 🠔
  14. [14] Adamson, M., Razmjoo, A. and Poursaee, A., Durability of concrete incorporating crushed brick as coarse aggregate. Construction and Building Materials. 94, pp. 426-432, 2015. DOI: 10.1016/j.conbuildmat.2015.07.056 [DOI] 🠔
  15. [15] Debieb, F. and Kenai, S., The use of coarse and fine crushed bricks as aggregate in concrete. Construction and Building Materials. 22, pp. 886-893, 2008. DOI: 10.1016/j.conbuildmat.2006.12.013 [DOI] 🠔
  16. [16] Yang, Y., Du, Q. and Bao, Y., Concrete with recycled concrete aggregate and crushed clay bricks. Construction and Building Materials. 25, pp. 1935-1945, 2011. DOI: 10.1016/j.conbuildmat.2010.11.063 [DOI] 🠔
  17. [17] Zawrah, M.F., Gado, R.A., Feltin, N, Ducourtieux, S. and Devoille L ., Recycling and utilization assessment of waste fired clay bricks (Grog) with granulated blast-furnace slag for geopolymer production. Process Safety and Environmntal Protection. 103, pp. 237-251, 2016 DOI: 10.1016/j.psep.2016.08.001 [DOI] 🠔
  18. [18] Baronio, G. and Binda, L., Study of the pozzolanicity of some bricks and clays. Construction and building Materials. 11(1), pp. 41-46, 1997. DOI: 10.1016/S0950-0618(96)00032-3 [DOI] 🠔
  19. [19] Matias, G., Faria, P. and Torres, I., Lime mortars with ceramic wastes: Characterization of components and their influence on the mechanical behavior. Construction and Building Materials. 73, pp. 523-534, 2014. DOI: 10.1016/j.conbuildmat.2014.09.108 [DOI] 🠔
  20. [20] Liu, Q., Tong, T., Liu, S., Yang, D. and Yu, Q., Investigation of using hybrid recycled powder from demolished concrete solids and clay bricks as a pozzolanic supplement for cement. Construction and Building Materials. 73, pp. 754-763, 2014. DOI: 10.1016/j.conbuildmat.2014.09.066 [DOI] 🠔
  21. [21] Silva, Y., Robayo, R., Mattey, P. and Delvasto, S., Obtaining self-compacting concrete using demolition waste. Latin American Journal of Metallurgy and Materials. 35(1), pp. 86-94, 2014. 🠔
  22. [22] Oliveira, I.R. and Pandolfelli, V.C., Castable matrix, additives and their role on hydraulic binder hydration. Ceramics International. 35(4), pp. 1453-1460, 2009. DOI: 10.1016/j.ceramint.2008.07.024 [DOI] 🠔
  23. [23] Snelson, D.G., Wild, S. and O’Farrell, M., Heat of hydration of Portland cement metakaolin-fly ash (PC-MK-PFA) blends, Cement and Concrete Research, 38(6), pp. 832-840, 2008. DOI: 10.1016/j.cemconres.2008.01.004 [DOI] 🠔
  24. [24] ASTM C1679, Standard practice for measuring hydration kinetics of hydraulic cementitious mixtures using isothermal calorimetry, 2014. 🠔
  25. [25] Hesse, C., Goetz-Neunhoeffer, F. and Neubauer, J., A new approach in quantitative in-situ XRD of cement pastes: Correlation of heat flow curves with early hydration reactions. Cement and Concrete Research. 41, pp. 123-128, 2011. DOI: 10.1016/j.cemconres.2010.09.014 [DOI] 🠔
  26. [26] Tydlitat, V., Zakoutsky, J., Olfova, P. and Cerny, R., Hydration heat development in blended cements containing fine-ground ceramics. Thermochimica Acta. 543, pp. 125-129, 2012. DOI: 10.1016/j.tca.2012.05.022 [DOI] 🠔
  27. [27] Kaminskas, R., Cesnauskas, V. and Kubiliute, R., Influence of different artificial additives on Portland cement hydration and hardening. Construction and Building Materials 95, pp. 537-544, 2015. DOI: 10.1016/j.conbuildmat.2015.07.113 [DOI] 🠔
  28. [28] Bonavetti, V.L., Rahhal, V.F. and Irassar, E.F., Evolution of the hydration in cements with additions. Construction materials. [online]. 52, pp. 57-64, 2002. Available at: http://materconstrucc.revistas.csic.es/index.php/materconstrucc/article/view/317/365. [URL] 🠔
  29. [29] Said-Mansour, M., Kadri, E.H., Kenai, S., Ghrici, M. and Bennaceur, R., Influence of calcined kaolin on mortar properties, Construction and Building Materials, 25, pp. 2275-2282, 2011. DOI: 10.1016/j.conbuildmat.2010.11.017 [DOI] 🠔
  30. [30] Perraki, Th., Kakali, G. and Kontoleon, F., The effect of natural zeolites on the early hydration of Portland cement. Microporous and Mesoporous Materials. 61, pp. 205-212, 2003. DOI: 10.1016/S1387-1811(03)00369-X. [DOI] 🠔
  31. [31] Mollah, M.Y.A., Yu, W., Schennac, R. and Cocke, D.L., A fourier transform infrared spesctroscopic investigation of the early hydration of Portland cement and the influence of sodium lignosulfonate. Cement and Concrete Research. 30, pp. 267-273, 2000. DOI: 10.1016/S0008-8846(99)00243-4 [DOI] 🠔
  32. [32] Shen, P., Lu, L., He, Y., Wang, F. and Hu, S., Hydration of quaternary phase-gypsum system. Construction and Building Materials. 152, pp. 145-153, 2017. DOI: 10.1016/j.conbuildmat.2017.06.179 [DOI] 🠔
  33. [33] Choudhary, H.K., Anupama, A.V., Kumar, R., Panzi, M.E., Matteppanavar, S., Baburao, N.S. and Sahoo, B., Observation of phase transformations in cement during hydration. Construction and Building Materials. 101, pp. 122-129, 2015. DOI: 10.1016/j.conbuildmat.2015.10.027 [DOI] 🠔
  34. [34] Trezza, M.A., Hydration study of ordinary portland cement in the presence of zinc ions. Materials Research. [online]. 10(4), pp. 331-334, 2007. Available at: http://www.scielo.br/pdf/mr/v10n4/a02v10n4.pdf [URL] 🠔
  35. [35] Mollah, M.Y.A., Lu, F. and Cocke, D.L., An X-ray diffraction (XRD) and Fourier transform infrared spectroscopic (FT-IR) characterization of the speciation of arsenic (V) in Portland cement type-V. The Science of the total environment. 224, pp. 57-68, 1998. DOI: 10.1016/S0048-9697(98)00318-0 [DOI] 🠔
  36. [36] Frías, M., García, R., Vigil de la Villa, R. and Villar, E., The effect of binary pozzolan mix on the mineralogical changes in the ternary activated paper sludge-fly ash-Ca(OH)2 system. Construction and Building Materials. 38, pp. 48-53, 2013. DOI: 10.1016/j.conbuildmat.2012.08.045 [DOI] 🠔
  37. [37] Frías, M., Vigil de la Villa, R., García, R., Martínez-Ramírez, S. and Fernández-Carrasco, L., New developments in low clinker cement paste mineralogy. Applied Clay Science 166, pp. 94-101, 2018. DOI: 10.1016/j.clay.2018.09.009 [DOI] 🠔
  38. [38] Gallucci, E., Zhang, X. and Scrivener, K.L., Effect of temperature on the microstructure of calcium silicate hydrate (C-S-H). Cement and Concrete Research, 53, pp. 185-195, 2013. DOI: 10.1016/j.cemconres.2013.06.008 [DOI] 🠔
  39. [39] Ma, B., Zhang, T., Tan, H., Liu, X., Mei, J., Qi, H., Jiang, W., Zou, F., Effect of triisopropanolamine on compressive strength and hydration of cement-fly ash paste. Construction and Building Materials 179, pp. 89-99, 2018. DOI: 10.1016/j.conbuildmat.2018.05.117 [DOI] 🠔
  40. [40] Izquierdo, S., Diaz, J., Mejia, R. and Torres, J., Blended cement containing fluid catalytic cracking catalyst residue (FCC): hydration and paste microstructure. Revista Ingeniería de Construcción. 28(2), pp. 141-154, 2013. DOI: 10.4067/S0718-50732013000200003 [DOI] 🠔
  41. [41] El-Gamal, S.M.A., El-Hosiny, F.I., Amin, M.S. and Sayed, D.G., Ceramic waste as an efficient material for enhancing the fire resistance and mechanical properties of hardened Portland cement pastes. Construction and Building Materials. 154, pp. 1062-1078, 2017. DOI: 10.1016/j.conbuildmat.2017.08.040 [DOI] 🠔
  42. [42] El-Diadamony, H., Amer, A.A., Sokkary, T.M. and El-Hoseny, S., Hydration and characteristics of metakaolin pozzolanic cement pastes. HBRC Journal. 14, pp. 150-158, 2018. DOI: 10.1016/j.hbrcj.2015.05.005 [DOI] 🠔
  43. [43] Payá, J., Monzo, J., Borrachero, M.V., Velázquez, S. and Bonilla, M., Determination of the pozzolanic activity of fluid catalytic cracking residue. Thermogravimetric analysis studies on FC3R-lime pastes. Cement and Concrete Research. 33, pp. 1085-1091, 2003. DOI: 10.1016/S0008-8846(03)00014-0 [DOI] 🠔
  44. [44] Mohammed, S., Elhem, G. and Mekki, B., Valorization of pozzolanicity of Algerian clay: optimization of the heat treatment and mechanical characteristics of the involved cement mortars. Applied Clay Science. 132-133, pp. 711-721, 2016. DOI: 10.1016/j.clay.2016.08.027 [DOI] 🠔
  45. [45] Garcia-de Lomas, M., Sanchez-de Rojas, M.I. and Frias, M., Pozzolanic reaction of a spent fluid catalytic cracking catalyst in FCC-cement mortars. Journal of Thermal Analysis and Calorimetry. 90(2), pp. 443-447, 2007. DOI: 10.1007/s10973-006-7921-7 [DOI] 🠔
  46. [46] El-Gamal, S.M.A., Amin, M.S. and Ramadan, M., Hydration characteristics and compressive strength of hardened cement pastes containing nano-metakaolin. HBRC Journal. 13, pp. 114-121, 2017. DOI: 10.1016/j.hbrcj.2014.11.008 [DOI] 🠔
  47. [47] Richardson, I.G., The calcium silicate hydrates. Cement and Concrete Research. 38, pp. 137-158, 2008. DOI: 10.1016/j.cemconres.2007.11.005 [DOI] 🠔
  48. [48] Wang, S., Peng, X., Tao, Z., Tang, L., Zeng, L., Influence of drying conditions on the contact-hardening behaviours of calcium silicate hydrate powder. Construction and Building Materials. 136, pp. 465-473, 2017. DOI: 10.1016/j.conbuildmat.2017.01.037 [DOI] 🠔
  49. [49] Juenger, M.C.G. and Siddique, R., Recent advances in understanding the role of supplementary cementitious materials in concrete. Cement and Concrete Research 78, pp. 71-80, 2015. DOI: 10.1016/j.cemconres.2015.03.018 [DOI] 🠔
  50. [50] Escalante-Garcia, J.L., Martinez-Aguilar, O.A. and Gómez-Zamorano, L.Y., Calcium sulphate anhydrite based composite binders; effect of Portland cement and four pozzolans on the hydration ans strength. Cement and Concrete Composite. 82, pp. 227-233, 2017. DOI: 10.1016/j.cemconcomp.2017.05.012 [DOI] 🠔
Silva, Y.F., Izquierdo, S.R. and Delvasto, S. Effect of masonry residue on the hydration of Portland cement paste. DYNA, 86(209), pp. 367-377, April - June, 2019.
completó su pregrado en Ing. de los Materiales en el 2011 en la Universidad del Valle, Cali, Colombia, es MSc. en Ingeniería -Énfasis en Ingeniería de los Materiales en la Universidad del Valle, Cali, Colombia en el 2015. Actualmente es estudiante de Doctorado en Ingeniería con énfasis en materiales de la Universidad del Valle e investigador en el Grupo Materiales Compuestos (GMC). Su investigación se centra en la valorización de residuo de mampostería en concretos autocompactantes y su desempeño frente a diferentes ambientes (sulfatos, cloruros y carbonatación). ORCID: 0000-0003-3888-457X
recibió su título de pregrado en ing. De los materiales en el 2009. En el 2016, culmino su doctorado en Ingeniería- Énfasis en ingeniería de los materiales en la Universidad del Valle, Cali, Colombia. Tiene experiencia profesional como investigadora y docente en el campo de los materiales, especialmente en las propiedades mecánicas y su comportamiento frente a diferentes ambientes agresivos. Actualmente se desempeña como ingeniera de desarrollo de aditivos en CEMEX, Colombia. ORCID: 0000-0001-8203-8202
es Ing. Químico de la Universidad del Valle; Cali, Colombia, es MSc. de la University of Illinois at Chicago, USA y Dr. en Ingeniería de la Universidad Politécnica de Valencia, España. Su labor se centra en la caracterización de materiales de matriz cementicia, materiales no convencionales, propiedades, aplicaciones y procesos de producción de materiales inorgánicos, cerámicos y compuestos. Actualmente es profesor titular de la Universidad del Valle en la Escuela de Ingeniería de los Materiales. ORCID: 0000-0001-9443-8238