PERDIDA DE CARGA EN CONDUCTOS DE HIERRO GALVANIZADO CONDUCIENDO AGUA RESIDUAL DE INSTALACIONES DE GALLINAS PONEDORAS
PERDIDA DE CARGA EN CONDUCTOS DE HIERRO GALVANIZADO CONDUCIENDO AGUA RESIDUAL DE INSTALACIONES DE GALLINAS PONEDORAS
HEAD LOSS IN GALVANIZED IRON PIPELINES CARRYING LAYING HEN WASTEWATER
JOSÉ ANTONIO RODRIGUES DE SOUZA
Universidad
Federal de Viçosa -- UFV jarstec@yahoo.com.br
DÉBORA
ASTONI MOREIRA
Universidad Federal de Viçosa
-UFV, deboraastoni@yahoo.com.br
RAFAEL
OLIVEIRA BATISTA
Universidad
Federal de Viçosa -- UFV, eng.batista@gmail.com
JAIRO ALEXANDER OSORIO S.
Ingeniero
Agrícola, Universidad
Nacional de Colombia, aosorio@unalmed.edu.co
OLGA LUCÍA ZAPATA MARÍN
Administración en salud:
Gestión Sanitaria y Ambiental Universidad de Antioquia,
Medellín, olluzama@gmail.com
Recibido para revisar marzo 25 de 2009, aceptado noviembre 12 de 2009, versión final noviembre 19 de 2009
RESUMEN: Las operaciones relacionadas con la producción de aves de corral pueden generar efluentes procedentes de fuentes distintas, incluida la escorrentía originada en las jaulas, alimentación y abastecimiento de agua de las aves y de las instalaciones de almacenamiento y manejo de residuos. En todo proyecto de explotación de aves de corral, se debe tener en cuenta el manejo de residuos y aguas residuales, las cuales pueden ser conducidas en tuberías de hierro galvanizado. El objetivo de este trabajo, fue el ajustar ecuaciones para estimar la perdida de carga continua en conductos de hierro galvanizado en los diámetros comerciales, variando de 50 a 150 mm, operando con agua residual de gallinas ponedoras en diferentes concentraciones de sólidos totales. Los resultados indicaron que las metodologías de Duffy & Titchener y Hazen-Williams modificadas presentaron ajustes cuyo coeficiente de determinación fue superior a 0,95, por lo que es considerado apropiado para el dimensionamiento de proyectos hidráulicos.
PALABRAS CLAVE: Agua residual, sólidos totales, perdida de carga
ABSTRACT: Operations related to the production of poultry can generate effluents from different sources, including the runoff resulting from the cages, food and water for birds and storage facilities and waste management. In any proposed poultry farm, one must take into account the handling of waste and wastewater, which can be channeled in galvanized iron pipes. The aim of this study the equations to estimate continuous head loss in galvanized iron pipelines in the commercial diameters varying from 50 to 150 mm, when in operating with laying hen wastewater in different concentrations of total solids. The results indicated that the methodologies of Duffy & Titchener and Hazen-Williams modified gave results with coefficient of determination superiors to 0.95.
KEYWORDS: wastewater, total solids, head loss.
1. INTRODUCCIÓN
Con el desarrollo de la agroindustria avícola, un gran volumen de desechos es producido, resultando un gran volumen de aguas residuales de gallinas ponedoras (ARA-P), las cuales vienen siendo utilizadas como fertilizantes por riego. Entretanto, el dimensionamiento adecuado de sistemas para transporte y distribución a través de tabulaciones requiere el conocimiento de las características físicas de esa agua residual, al igual que el comportamiento hidráulico dentro de las tabulaciones forzadas.
Existen diversas formulas que estiman la perdida de carga continua en conductos forzados con sección circular e área constante. En la referencia [2], se demuestran los métodos de evaluación de esa pérdida de carga, las cuales son agrupados en tres categorías: correlaciones gráficas, ecuaciones empíricas y ecuaciones que estiman el factor de atrito, siendo las dos últimas las más utilizadas y de mayor precisión debido a la facilidad de acceso al computador.
Entres las ecuaciones que utilizan el factor atrito, la más usada es la ecuación universal, presentada en la ecuación 1.
(1)
Donde,
J - Perdida de carga unitaria, m m-1,
f- Factor de atrito, adimensional,
D- Diámetro interno de la tubulación, m,
V- Velocidad media del fluido, m s-1,
g- Aceleración de la gravedad, m s-2, y
Q- Caudal medio del fluido, m3 s-1.
Existen varias ecuaciones que permiten estimar el factor de atrito para conductos circulares de sección constante, en función de la rigurosidad relativa de las paredes de tabulación y del número de Reynolds. En la referencia [6-7], por medio de la ecuación 2 presentarón el modelo de Lee e Duffy (1976) modificado, obteniendo resultados estadísticamente satisfactorios.
(2)
Donde,
f - Factor de atrito, adimensional,
Rey - número de Reynolds, adimensional, y
a e b - constantes características del fluido, adimensionales.
Una ecuación empírica, que estima la perdida de carga para fluidos no newtonianos, semejante al de Hazen-Williams, fue desarrollado por investigadores de las áreas de alimentos, papel, celulosa y de transporte de óleo en refinerías. [2-5].
(3)
Donde,
J- Perdida de carga unitaria, m m-1,
L- Longitud de la tubulación, m,
V- Velocidad media, m s-1,
ST- Concentración de sólidos totales, dag L-1,
D- Diámetro interno de la tabulación, m, y
,
,
e
- Constantes características del fluido, adimensionales.
Las ecuaciones empíricas usadas en el cálculo de la perdida de carga, en general presentan mejores resultados de que los métodos de correlaciones gráficas y las ecuaciones que estiman el factor atrito [2].
En las referencias [6-7], en la búsqueda de modelos matemáticos que estiman la perdida de carga continua en tabulaciones de acero corrugado, hierro galvanizado y PVC con diámetros comerciales de 2 a 6 pulgadas, utilizando como fluidos circulantes las aguas residuales de porcicultura y bovinocultura con diferentes concentraciones de sólidos totales, presentaron la ecuación 4 como una propuesta de modificación del modelo de Hazen-Williams.
(4)
Donde,
J- Perdida de carga unitaria, m m-1,
ST- Concentración de sólidos totales, dag L-1,
Q- Caudal medio del fluido, m3 s-1,
D- Diámetro interno de la tubulación, m,
C- Coeficiente de rugosidad, adimensional, y
k1, k2, k3, k4 e k5- Parámetros de ajuste de la ecuación, adimensional.
En las referencias [6-7], cconcluyeron que los métodos de estimativa de la perdida de carga basados en la ecuación universal no presentaron buenos ajustes, principalmente cuando se utiliza el número de Reynolds generalizado. Las mismas referencias, afirmaron también que las ecuaciones empíricas, obtenidas con las metodologías de Duffy y Titchener (1974) y Hazen-Williams modificada para las aguas residuales de bovinocultura y de porcicultura (que relacionan la perdida de carga con caudal, diámetro, coeficiente de rugosidad y concentración de sólidos totales), presentaron buenos resultados, con coeficientes de determinación superiores a 98%, pudiéndose recomendar su utilización para dimensionamiento de proyectos hidráulicos presurizados.
Este trabajo, tuvo por objeto, ajustar una ecuación para cálculo de la perdida de carga continua en conductos de hierro galvanizado, conduciendo agua residual de instalaciones de gallinas ponedoras (ARA-P), con diferentes concentraciones de sólidos totales.
2. MATERIALES Y METODOS
El trabajo fue realizado en la Área Experimental de Hidráulica, Riego y Drenaje del Departamento de Ingeniería Agrícola de la Universidad Federal de Viçosa, en Viçosa, MG. La perdida de carga continua fue determinada en conductos de hierro galvanizado con diámetros internos de 53,75; 84,01; 105,90; 130,30; y 155,58 mm, conduciendo agua limpia proveniente de un pozo artesano y agua residual de instalaciones de gallinas ponedoras, denominada (ARA-P).
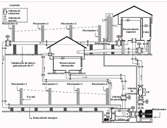
Los conductos con distintos diámetros internos fueron conectadas a una tubulación de hierro galvanizado de 155,58 mm de diámetro y mantenidas en nivel, permitiendo así, el uso de la Ecuación Universal (Ecuación 1) en la determinación del factor de atrito. La perdida de carga fue evaluada en una longitud útil de 18 m de tubulación, por cuatro piezómetros, constituidos de mangueras de 20 mm de diámetro, distanciados 6 m a lo largo de la tubulación. Las diferencias en las lecturas de los meniscos de dos piezómetros consecutivos permitieron la determinación de la perdida de carga simultáneamente, en los tres trechos de la tubulación, conforme como se observa en la Figura 1.

Figura 1. - Ilustración del montaje experimental
Figure
1. - Illustration of the
experimental
El caudal fue medido por medio del diafragma previamente calibrado, instalado en la tubulación derivada del reservatorio superior. Con el fin de garantizar la conducción de los ensayos con los conductos llenas de fluido, se instalaron curvas de 90º, volteadas para arriba, en la extremidad final de cada tubulación, conforme se presenta en la Figura 1.
Durante el experimento fueron analizadas las características físicas y químicas del agua limpia y ARA-P (ST - sólidos totales; SD - sólidos sedimentados; g - peso específico; µ - viscosidad aparente; e pH - potencial hidrogenionico). Los sólidos totales (ST), sólidos sedimentados (SD) y potencial hidrogenionico (pH) fueron determinados con tres repeticiones. El peso específico medio del fluido fue determinado por medio del peso de 1.000 mL de la muestra contenida en una probeta, haciéndose tres repeticiones. Todos los análisis fueron realizados en el Laboratorio de Calidad de Agua del DEA/UFV. Para determinar la viscosidad aparente de los fluidos (µ) , se utilizó un reómetro, [.1] siendo el volumen de las muestras para análisis de 4,5 cm3.
Se utilizaron como fluidos circulantes, el agua limpia del agua residual de gallinas ponedoras (ARA-P) en seis diferentes concentraciones de sólidos totales (0,26; 0,46; 0,73; 0,94; 1,63 y 2,89 dag L-1), obtenidas mediante adición y mezcla de estiércol de gallinas ponedoras en reservatorio de 10 m3 con agua. La ración de las gallinas ponedoras de galpón, donde fue obtenido el estiércol, contenía cerca de 60% de, 25% de salvado de soja, 7% de calcáreo y 2% de fosfato bicalcico, además de suplementos minerales, grasas y aditivos, totalizando un 6%.
Primeramente, el estiércol fue molido y pesado en un cedazo con abertura de 6 mm para la retirada de materiales indeseables, posteriormente, fue adicionado al reservatorio con el fluido en circulación, para evitar sedimentación y facilitar la homogenización. Después de la adición del estiércol correspondiente a cada concentración, el efluente circuló durante cinco horas, después de permanecer aproximadamente 12 horas en reposo para absorción del agua.
Los ensayos fueron conducidos de la siguiente manera: el fluido era bombeado del reservatorio inferior para el reservatorio superior, de donde parte do fluido circulaba por gravedad para los conductos situados en el montaje de ensayos, que presentaba un desnivel de 4,5 m en relación al nivel constante del reservatorio superior. En seguida, el fluido era descargado en el reservatorio inferior. El excedente del fluido del reservatorio superior era conducido para el reservatorio intermediario para posteriormente ser conducido al reservatorio inferior, donde era nuevamente bombeado, cerrando de esa manera el ciclo.
Se instaló en el interior del reservatorio inferior una chapa sin perforación, para establecer el nivel constante del fluido, y una chapa perforada, para reducir la turbulencia causada por la entrada del fluido proveniente de la tubulación evaluada. El exceso del fluido en este reservatorio era recibido en un compartimento localizado a la izquierda de la chapa metálica sin perforaciones, siendo, después, bombeado para el reservatorio intermedio con conjunto de motobomba auxiliar dotado de una llave que efectuaba el encendido y apagado automático de ese recalque toda vez que el nivel alcanzaba la altura de 0,67 m en relación al fondo.
En el reservatorio superior fue instalada una chapa metálica circular, posicionada horizontalmente en las proximidades de la sesión de entrada a 0,25 m del fondo, para reducir la turbulencia del fluido. Otra chapa metálica con muesca en "V" fue instalada en la parte superior, semejante a un vertedor triangular, manteniéndose el nivel constante del fluido, para condicionar todos los ensayos con las mismas características de flujo y altura de carga. Se posibilitó también, la creación de un compartimiento (cuba) para su uso en la calibración del diafragma.
A partir de los datos de perdida de carga (J), concentración de sólidos totales (ST), caudal (Q) y diámetro (D), se estimaron los coeficientes del modelo de Sampaio (2000, 2001), Duffy & Titchener (1974) y Hazen-Williams modificado, utilizándose el procedimiento de regresión no lineal (Gauss Newton). Los análisis estadísticos fueron procesados a través del programa estadístico SAEG, versión 5.0/1993, desarrollado en la Universidad Federal de Viçosa, en Viçosa, MG.
3. RESULTADOS Y DISCUSIÓN
En la Tabla 1 son presentados los resultados de los análisis físicos y químicos del agua limpia y agua residual de gallinas ponedoras (ARA-P). Observándose que los valores de sólidos sedimentados y del peso específico del ARA - P aumentaron con la concentración de sólidos totales. La viscosidad aparente (g) de todas las concentraciones ARA-P se presentaron menores que la del agua limpia.
Tabla
1. Valores de las características físicas y químicas del agua
limpia y agua residual de gallinas ponedoras (ARA- P)
Table
1. Values of the physical and chemical characteristics
of water and wastewater of laying hens (ARA- P)

En la Figura 2, están presentadas las curvas ajustadas, relacionando la perdida de carga unitaria (J) en función del caudal (Q), para agua limpia y seis concentraciones de ARA-P, en los cinco diámetros evaluados. Se puede verificar en esta figura que la mayor para a agua limpia y la menor perdida de carga siempre ocurrieron para ARA-P en la concentración de 0,46 dag L-1. Asociándose los resultados de la perdida de carga con la viscosidad en las diferentes concentraciones de ARA-P, se verificó una tendencia de que la perdida de carga sea menor en fluidos de viscosidad menor que del agua limpia. Con menor viscosidad, menos energía será disipada por atrito, implicando una menor perdida de carga.

Figura 2. – Curvas
ajustadas relacionando perdida de carga unitaria (J - m/1000m) en función del
caudal (Q - m3 h-1) para la conductos de hierro galvanizado en los diámetros
de (A) 155,48 mm; (B) 130,30 mm; (C)
105,90mm; (D) 84,01 mm e (E) 53,75 mm.
Figure 2. - Adjusted curves relating unit head loss (J - m/1000m) depending
on the flow (Q - m3 h-1) for galvanized iron pipelines in diameters
(A) 155,48 mm; (B) 130,30
mm; (C) 105,90mm; (D) 84,01 mm e (E) 53,75 mm.
En la referencia [1], mencionan que en el flujo en tubos, e incluso en régimen turbulento liso, siempre existe una camada laminar junto a las paredes. Esta camada, en algunas situaciones de flujo, cubre buena parte de la rugosidad de los conductos ensayados, disminuyendo el atrito con el fluido, contribuyendo a la reducción de la perdida de carga en relación al agua limpia.
En la tabla 2 están presentados los resultados de los modelos de estimativa de pérdida de carga continua basadas en las ecuaciones Sampaio (2000,2001), Duffy e Titchener (1974) y Hazen-Williamns modificado, para los diferentes diámetros y concentraciones de ARA-P.
Tabla
2. Ecuaciones ajustadas del factor de atrito (f) y perdida de
carga (J) para las diferentes concentraciones de ARA-P.
Table 2. Equations adjusted friction factor (f) and loss of load (J) for different
concentrations of ARA-P.

En el ajuste de las ecuaciones por el modelo de Sampaio (2000, 2001) fue hecha una modificación en la forma del modo a considerar el efecto de la concentración de sólidos totales (ST). Todas las observaciones se procesaron en el régimen turbulento, con número de Reynolds mínimo en torno de 100.000. Como la viscosidad del fluido era conocida, esta fue utilizada para determinar el número de Reynolds.
En las ecuaciones encontradas para el modelo matemático de Duffy y Titchener (1974), los exponentes de la velocidad se presentaron dentro de la faja presentada por Duffy (1976) para diferentes fluidos desaguados newtonianos y aproximándose a aquellos presentados por Hazen y Williams (1963), que son 1,85 y 1,17, respectivamente. El bajo valor de los exponentes de la concentración de sólidos totales (ST) es un indicativo de que el efecto de esta variable en la perdida de carga (J) fue pequeña para las concentraciones evaluadas.
En el ajuste de las ecuaciones para el modelo de Hazem-Williams modificado, la variable de sólidos totales (ST) no fue significativa. Notándose que los exponentes del caudal (Q), coeficiente de rugosidad (C) y diámetro (D), y el coeficiente numérico de la ecuación obtenidos por el método de Hazem-Williams modificado, están bastante próximos de los presentados por Hazen y Williams (1963).
Las estimativas de pérdida de carga que más se aproximaron de los datos observados en campo fueron correspondientes a las ecuaciones de mejor ajuste, destacándose los modelos de Duffy y Titchener (1974) y Hazen y Williams (1963) modificado, siendo que este último estimó la perdida de carga más próxima de los valores encontrados en los ensayos, subestimando, en media, la perdida de carga para cualesquier caudal (Q), concentraciones de sólidos totales (ST) o diámetros (D), presentando, en general, los menores errores medios y desvíos padrón, justificando, por tanto, su mejor ajuste comparado a los demás.
Al utilizar la ecuación 1 en el cálculo del factor de atrito (f), se verifico que para un mismo caudal y diámetro de la tubulación, el valor del factor f disminuyó de la agua limpia a la concentración de sólidos totales 0,46 dag L-1, y aumento de la concentración de 0,46 dag L-1 à 2,89 dag L-1. Así, en cierta concentración de sólidos totales no estudiada, entre 0,46 dag L-1 y 0,73 dag L-1, ocurrió inversión del comportamiento del fluido en cuanto a la perdida de carga. Tagliaferre (2003) Estudiando la perdida de carga en tubos de polietileno conduciendo agua residual de porcicultura, obtuvo un comportamiento semejante, encontrando perdida de carga menor que del agua limpia en concentraciones de sólidos totales que variaron de 1,15 a 1,75 dag L-1.
La diferencia entre la perdida de carga de agua limpia y de la ARA-P, comparándose los valores medidos en los ensayos y los estimados por el modelo de Hazen-Williams modificado, subestimo de - 20,8 % a - 9,7 % para la tubulación de hierro galvanizado de 130,30 mm.
4. CONCLUSIONES
Las ecuaciones empíricas ajustadas con la aplicación de las metodologías de Duffy & Titchener y Hazen-Williams modificada, presentaron buenos ajustes, con coeficiente de determinación superiores a 0,95. De esta manera, se recomienda su aplicación en el dimensionamiento de proyectos con conductos de hierro galvanizado.
REFERENCIAS
[1] AZEVEDO NETTO, J. M.; FERNADEZ, M. F.; ARAÚJO, R., ITO, A. E. Manual de hidráulica - 8ª ed. São Paulo: Edgard Blucher, 1998. 670p.
[2] DUFFY, G. G. A review and evolution of design methods for calculating friction loss in stock piping systems. Tappi, Atlanta, v. 59, n. 8, p. 124-127, 1976.
[3] DUFFY, G. G.; TITCHENER, A . L. Design procedures for obtaining pipelines friction loss for chemical pulps. Tappi, Atlanta, v. 57, n. 5, p. 162-166, 1974.
[4] HAZEN, A.; WILLIAMS, G. S. Hydraulic tables. New York: John Willey & Sons, 1963. 120p.
[5] LEE, P.F.W.; DUFFY, G.G. An analysis of the drag reducing regime of pulp suspension flow. Tappi, Atlanta, v.59, n.8, p.119-23, 1976.
[6] SAMPAIO, S. C.; DENICULI, W.; OLIVEIRA, R. A.; SILVA, D. D.; CECON, P. R.; PINTO, F. A. Equações de perda de carga distribuída para tubulações comerciais conduzindo água residuária de bovinocultura. Engenharia Agrícola. Jaboticabal, v.20, n. 2, p.108-118, 2000.
[7] SAMPAIO, S. C.; DENICULI, W.; OLIVEIRA, R. A.; SILVA, D. D.; MATOS, A. T.; MARTINEZ, M. A. Perda de carga contínua em tubulações conduzindo água residuária da suinocultura. Revista Brasileira de Engenharia Agrícola e Ambiental, v. 5, n. 3, p.391-396. 2001.
Cómo citar
IEEE
ACM
ACS
APA
ABNT
Chicago
Harvard
MLA
Turabian
Vancouver
Descargar cita
Visitas a la página del resumen del artículo
Descargas
Licencia
Derechos de autor 2011 DYNA

Esta obra está bajo una licencia internacional Creative Commons Atribución-NoComercial-SinDerivadas 4.0.
El autor o autores de un artículo aceptado para publicación en cualquiera de las revistas editadas por la facultad de Minas cederán la totalidad de los derechos patrimoniales a la Universidad Nacional de Colombia de manera gratuita, dentro de los cuáles se incluyen: el derecho a editar, publicar, reproducir y distribuir tanto en medios impresos como digitales, además de incluir en artículo en índices internacionales y/o bases de datos, de igual manera, se faculta a la editorial para utilizar las imágenes, tablas y/o cualquier material gráfico presentado en el artículo para el diseño de carátulas o posters de la misma revista.
,
,
e
- Constantes características del
fluido, adimensionales.



